
| Appraised Value | Assessed Value | |
| Building Value | $ 428,100 | $ 428,100 |
| Extra Features | $ 51,500 | $ 51,500 |
| Outbuildings | $ 5,300 | $ 5,300 |
| Land Value | $ 220,000 | $ 220,000 |
| Totals | $ 704,900 | $ 704,900 |
| 2025
Community Preservation Act Tax $ 98.08 Cotuit FD Tax (Residential) $ 993.91 Town Tax (Residential) $ 3,269.49 Total: $ 4,361.48 |
2024
Community Preservation Act Tax $ 86.18 Cotuit FD Tax (Commercial) $ 0 Cotuit FD Tax (Residential) $ 794.95 Town Tax (Commercial) $ 0 Town Tax (Residential) $ 2,872.71 Total: $ 3,753.84 |
| Residential Exemption Received= $233,792 |
Residential Exemption Received= $214,313 |
| Owner: | Sale Date | Book/Page: | Sale Price: |
| BELANGER, NELSON A III & CHERYL S | 1997-01-03 | 10555/0275 | $185111 |
| MCLEVEDGE, EDMOND J | 1996-07-15 | 10284/0042 | $1 |
| MCLEVEDGE, EDMOND J & MARGUERITE M | 1984-05-15 | 4098/0180 | $27500 |
| EASTMAN, CHARLES R | 1980-07-15 | 3130/0333 | $13500 |
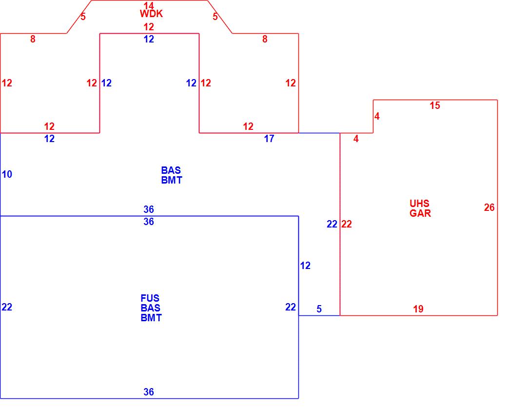
| As Built Cards:Click card # to view: | Card #1 | |

| B2N | Barn-any 2nd story area | FPC | Open Porch Concrete Floor | REF | Reference Only |
| BAS | First Floor, Living Area | FTS | Third Story Living Area (Finished) | SOL | Solarium |
| BMT | Basement Area (Unfinished) | FUS | Second Story Living Area (Finished) | SPE | Pool Enclosure |
| BRN | Barn | GAR | Garage | TQS | Three Quarters Story (Finished) |
| CAN | Canopy | GAZ | Gazebo | UAT | Attic Area (Unfinished) |
| CLP | Loading Platform | GRN | Greenhouse | UHS | Half Story (Unfinished) |
| FAT | Attic Area (Finished) | GXT | Garage Extension Front | UST | Utility Area (Unfinished) |
| FCP | Carport | KEN | Kennel | UTQ | Three Quarters Story (Unfinished) |
| FEP | Enclosed Porch | MZ1 | Mezzanine, Unfinished | UUA | Unfinished Utility Attic |
| FHS | Half Story (Finished) | PRG | Pergola | UUS | Full Upper 2nd Story (Unfinished) |
| FOP | Open or Screened in Porch | PRT | Portico | WDK | Wood Deck |
| PTO | Patio | ||||
Building |
Details |
Land |
|||
| Building value | $ 428,100 | Bedrooms | 4 Bedrooms | USE CODE | 1010 |
| Replacement Cost | $515,793 | Bathrooms | 2 Full-1 Half | Lot Size (Acres) | 0.5 |
| Model | Residential | Total Rooms | 8 Rooms | Appraised Value | $ 220,000 |
| Style | Saltbox | Heat Fuel | Gas | Assessed Value | $ 220,000 |
| Grade | Average | Heat Type | Hot Water | ||
| Year Built | 1985 | AC Type | None | ||
| Effective depreciation | 17 | Interior Floors | CarpetHardwood | ||
| Stories | 1 1/2 Stories | Interior Walls | Drywall | ||
| Living Area sq/ft | 2,198 | Exterior Walls | Wood Shingle | ||
| Gross Area sq/ft | 4,916 | Roof Structure | Salt Box | ||
| Roof Cover | Asph/F Gls/Cmp | ||||
| Code | Description | Units/SQ ft | Appraised Value | Assessed Value |
| FPL3 | Fireplace 2 story | 1 | $ 5,800 | $ 5,800 |
| BRR | Bsmt Rec Rm-Average | 400 | $ 2,700 | $ 2,700 |
| WDCK | Wood Decking w/railings | 356 | $ 4,200 | $ 4,200 |
| GAR | Attached Garage | 478 | $ 14,900 | $ 14,900 |
| BMT | Basement-Unfinished | 1406 | $ 28,100 | $ 28,100 |
| SHED | Shed | 120 | $ 1,100 | $ 1,100 |