
| Appraised Value | Assessed Value | |
| Building Value | $ 998,800 | $ 998,800 | 
| Extra Features | $ 40,000 | $ 40,000 | 
| Outbuildings | $ 39,000 | $ 39,000 | 
| Land Value | $ 429,100 | $ 429,100 | 
| Totals | $ 1,506,900 | $ 1,506,900 | 
| 2025
																 Community Preservation Act Tax $ 265.06 Town Tax (Commercial) $ 0 Town Tax (Residential) $ 8,835.37 W. Barnstable FD Tax (Commercial) $ 0 W. Barnstable FD Tax (Residential) $ 3,616.56 Total: $ 12,716.99  | 
																
																
															
																
																
																2024
																 Community Preservation Act Tax $ 233.05 Town Tax (Commercial) $ 0 Town Tax (Residential) $ 7,768.44 W. Barnstable FD Tax (Commercial) $ 0 W. Barnstable FD Tax (Residential) $ 2,668.23 Total: $ 10,669.72  | 
																
															
																
																
															
| Residential Exemption Received= $233,792 | 
																
																
																Residential Exemption Received= $214,313 | 
																
															
															
| Owner: | Sale Date | Book/Page: | Sale Price: | 
| CROWELL, EDWARD A & DEBBIE | 2005-11-18 | 20486/0259 | $1225000 | 
| MUMFORD, WILLIAM M & NANCY J | 1998-10-15 | 11762/0125 | $410000 | 
| JOHNSON, MARGARET & MARTHA & BRUCE TRS | 1998-10-15 | 11762/0123 | $0 | 
| JOHNSON, MARGARET & MARTHA & BRUCE TRS | 1990-11-20 | 7358/0163 | $1 | 
| JOHNSON, MARGARET H | 1944-09-06 | 0617/0580 | $0 | 
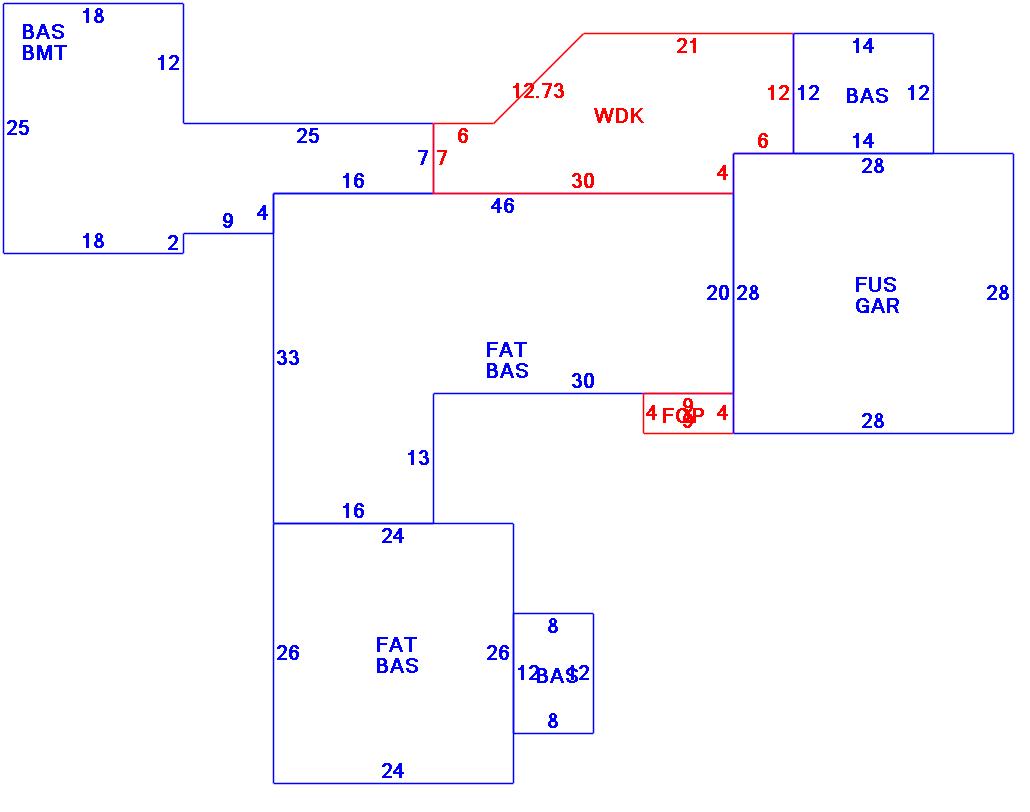
| As Built Cards:Click card # to view: | Card #1 | | 
This property contains multiple sketches.

| B2N | Barn-any 2nd story area | FPC | Open Porch Concrete Floor | REF | Reference Only | 
| BAS | First Floor, Living Area | FTS | Third Story Living Area (Finished) | SOL | Solarium | 
| BMT | Basement Area (Unfinished) | FUS | Second Story Living Area (Finished) | SPE | Pool Enclosure | 
| BRN | Barn | GAR | Garage | TQS | Three Quarters Story (Finished) | 
| CAN | Canopy | GAZ | Gazebo | UAT | Attic Area (Unfinished) | 
| CLP | Loading Platform | GRN | Greenhouse | UHS | Half Story (Unfinished) | 
| FAT | Attic Area (Finished) | GXT | Garage Extension Front | UST | Utility Area (Unfinished) | 
| FCP | Carport | KEN | Kennel | UTQ | Three Quarters Story (Unfinished) | 
| FEP | Enclosed Porch | MZ1 | Mezzanine, Unfinished | UUA | Unfinished Utility Attic | 
| FHS | Half Story (Finished) | PRG | Pergola | UUS | Full Upper 2nd Story (Unfinished) | 
| FOP | Open or Screened in Porch | PRT | Portico | WDK | Wood Deck | 
| PTO | Patio | ||||
								Building | 
								
								Details | 
								
								Land | 
								|||
| Building value | $ 998,800 | Bedrooms | 5 Bedrooms | USE CODE | 1090 | 
| Replacement Cost | $1,264,274 | Bathrooms | 3 Full-1 Half | Lot Size (Acres) | 2.31 | 
| Model | Residential | Total Rooms | 9 Rooms | Appraised Value | $ 429,100 | 
| Style | Cape Cod | Heat Fuel | Gas | Assessed Value | $ 429,100 | 
| Grade | Custom | Heat Type | Hot Water | ||
| Year Built | 1806 | AC Type | Central | ||
| Effective depreciation | 27 | Interior Floors | Pine/Soft WoodCeram Clay Til | ||
| Stories | 1 1/2 Stories | Interior Walls | Plastered | ||
| Living Area sq/ft | 3,724 | Exterior Walls | Wood Shingle | ||
| Gross Area sq/ft | 7,152 | Roof Structure | Gable/Hip | ||
| Roof Cover | Asph/F Gls/Cmp | ||||
| Code | Description | Units/SQ ft | Appraised Value | Assessed Value | 
| FPL2 | Fireplace 1.5 stories | 1 | $ 4,400 | $ 4,400 | 
| BRN4 | Barn w/Bmt&Lt | 720 | $ 28,600 | $ 28,600 | 
| WDCK | Wood Decking w/railings | 458 | $ 5,600 | $ 5,600 | 
| FOP | Open Porch-roof-ceiling | 36 | $ 2,000 | $ 2,000 | 
| GAR | Attached Garage | 784 | $ 18,700 | $ 18,700 | 
| BMT | Basement-Unfinished | 661 | $ 14,900 | $ 14,900 | 
| GEN | Emergency Generator | 1 | $ 4,800 | $ 4,800 |