
| Appraised Value | Assessed Value | |
| Building Value | $ 267,400 | $ 267,400 |
| Extra Features | $ 21,500 | $ 21,500 |
| Outbuildings | $ 50,300 | $ 50,300 |
| Land Value | $ 973,600 | $ 973,600 |
| Totals | $ 1,312,800 | $ 1,312,800 |
| 2025
C.O.M.M. FD Tax (Commercial) $ 0 C.O.M.M. FD Tax (Residential) $ 1,509.72 Community Preservation Act Tax $ 273.32 Town Tax (Commercial) $ 0 Town Tax (Residential) $ 9,110.83 Total: $ 10,893.87 |
2024
C.O.M.M. FD Tax (Commercial) $ 0 C.O.M.M. FD Tax (Residential) $ 1,501.16 Community Preservation Act Tax $ 258.17 Town Tax (Commercial) $ 0 Town Tax (Residential) $ 8,605.77 Total: $ 10,365.10 |
| Owner: | Sale Date | Book/Page: | Sale Price: |
| CANAVAN, M CHRISTOPHER JR TR | 2024-07-31 | C236666/0 | $100 |
| CANAVAN, MARY HILL & M CHRISTOPHER JR TR | 2018-03-01 | C215535/0 | $1 |
| CANAVAN, MARY HILL & M CHRISTOPHER JR | 2003-05-16 | C169195/0 | $280000 |
| HILL, MARY W ET AL | 1998-07-14 | C149334/0 | $0 |
| HILL, RUTH A ET AL | 1988-08-01 | C115000/0 | $110000 |
| HILL, RUTH A ET AL | 1987-10-01 | C112308/0 | $1 |
| HILL, RUTH A ET AL | 1987-06-10 | C111107/0 | $110000 |
| MCDERMOTT, HELEN E ET AL | 1970-05-20 | C48542/0 | $0 |
| WOOD, JAMES E & VICTORIA A | 1948-09-02 | C9918/0 | $0 |
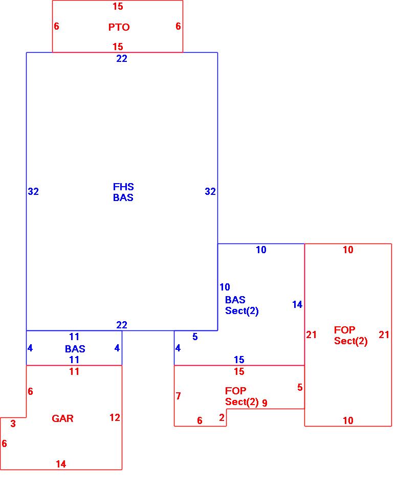
| As Built Cards:Click card # to view: | Card #1 | |

| B2N | Barn-any 2nd story area | FPC | Open Porch Concrete Floor | REF | Reference Only |
| BAS | First Floor, Living Area | FTS | Third Story Living Area (Finished) | SOL | Solarium |
| BMT | Basement Area (Unfinished) | FUS | Second Story Living Area (Finished) | SPE | Pool Enclosure |
| BRN | Barn | GAR | Garage | TQS | Three Quarters Story (Finished) |
| CAN | Canopy | GAZ | Gazebo | UAT | Attic Area (Unfinished) |
| CLP | Loading Platform | GRN | Greenhouse | UHS | Half Story (Unfinished) |
| FAT | Attic Area (Finished) | GXT | Garage Extension Front | UST | Utility Area (Unfinished) |
| FCP | Carport | KEN | Kennel | UTQ | Three Quarters Story (Unfinished) |
| FEP | Enclosed Porch | MZ1 | Mezzanine, Unfinished | UUA | Unfinished Utility Attic |
| FHS | Half Story (Finished) | PRG | Pergola | UUS | Full Upper 2nd Story (Unfinished) |
| FOP | Open or Screened in Porch | PRT | Portico | WDK | Wood Deck |
| PTO | Patio | ||||
Building |
Details |
Land |
|||
| Building value | $ 267,400 | Bedrooms | 4 Bedrooms | USE CODE | 1010 |
| Replacement Cost | $353,443 | Bathrooms | 0 Full-0 Half | Lot Size (Acres) | 0.15 |
| Model | Residential | Total Rooms | 6 Rooms | Appraised Value | $ 973,600 |
| Style | Cape Cod | Heat Fuel | None | Assessed Value | $ 973,600 |
| Grade | Average | Heat Type | None | ||
| Year Built | 1940 | AC Type | None | ||
| Effective depreciation | 27 | Interior Floors | Pine/Soft Wood | ||
| Stories | Interior Walls | Wall Brd/Wood | |||
| Living Area sq/ft | 1,260 | Exterior Walls | Clapboard | ||
| Gross Area sq/ft | 2,149 | Roof Structure | Gable/Hip | ||
| Roof Cover | Wood Shingle | ||||
| Code | Description | Units/SQ ft | Appraised Value | Assessed Value |
| FPL2 | Fireplace 1.5 stories | 1 | $ 4,400 | $ 4,400 |
| DKAV | Dock-Ave | 1 | $ 48,000 | $ 48,000 |
| GAR | Attached Garage | 150 | $ 6,100 | $ 6,100 |
| FOP | Open Porch-roof-ceiling | 297 | $ 11,000 | $ 11,000 |
| PATF | Flagstone Pavers on conc | 90 | $ 2,300 | $ 2,300 |