
| Appraised Value | Assessed Value | |
| Building Value | $ 253,800 | $ 253,800 |
| Extra Features | $ 24,900 | $ 24,900 |
| Outbuildings | $ 5,800 | $ 5,800 |
| Land Value | $ 211,800 | $ 211,800 |
| Totals | $ 496,300 | $ 496,300 |
| 2025
C.O.M.M. FD Tax (Commercial) $ 0 C.O.M.M. FD Tax (Residential) $ 570.75 Community Preservation Act Tax $ 103.33 Town Tax (Commercial) $ 0 Town Tax (Residential) $ 3,444.32 Total: $ 4,118.40 |
2024
C.O.M.M. FD Tax (Commercial) $ 0 C.O.M.M. FD Tax (Residential) $ 572.46 Community Preservation Act Tax $ 98.45 Town Tax (Commercial) $ 0 Town Tax (Residential) $ 3,281.78 Total: $ 3,952.69 |
| Owner: | Sale Date | Book/Page: | Sale Price: |
| SUKHIA, SAROSH P & NANCY J TRS | 2017-12-06 | 30946/0146 | $100 |
| SUKHIA, SAROSH | 2014-02-27 | 28006/0136 | $1 |
| SUKHIA, SAROSH & ROHI | 2004-09-01 | 18994/0264 | $320000 |
| ROBBINS, MARIE G | 1991-11-18 | 7758/0307 | $1 |
| ROBBINS, MARIE G | 1987-01-22 | 5530/0253 | $1 |
| ROBBINS, WALTER E JR | 1969-05-16 | 1436/1177 | $0 |
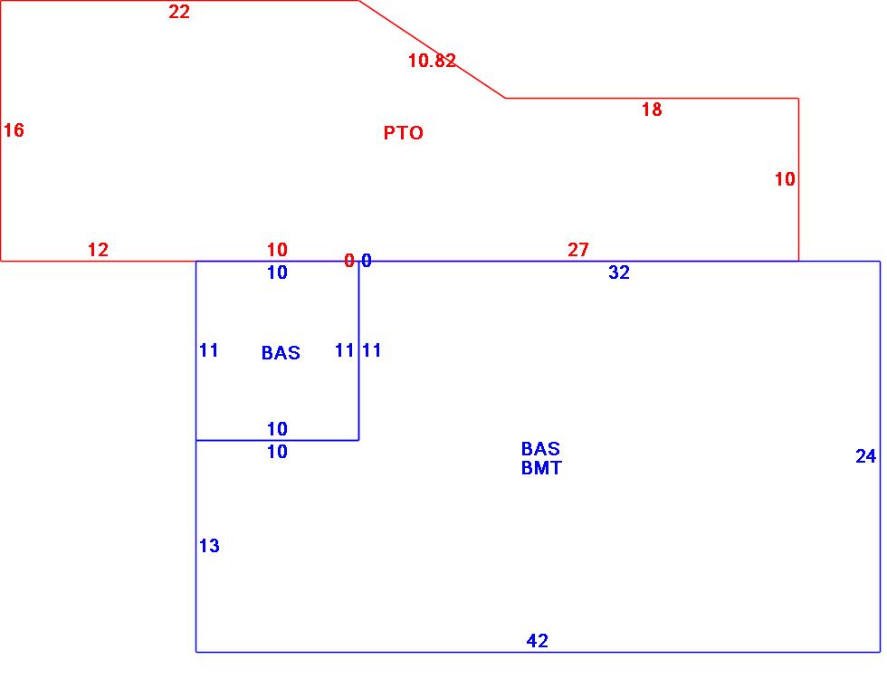
AsBuilt Card N/A

| B2N | Barn-any 2nd story area | FPC | Open Porch Concrete Floor | REF | Reference Only |
| BAS | First Floor, Living Area | FTS | Third Story Living Area (Finished) | SOL | Solarium |
| BMT | Basement Area (Unfinished) | FUS | Second Story Living Area (Finished) | SPE | Pool Enclosure |
| BRN | Barn | GAR | Garage | TQS | Three Quarters Story (Finished) |
| CAN | Canopy | GAZ | Gazebo | UAT | Attic Area (Unfinished) |
| CLP | Loading Platform | GRN | Greenhouse | UHS | Half Story (Unfinished) |
| FAT | Attic Area (Finished) | GXT | Garage Extension Front | UST | Utility Area (Unfinished) |
| FCP | Carport | KEN | Kennel | UTQ | Three Quarters Story (Unfinished) |
| FEP | Enclosed Porch | MZ1 | Mezzanine, Unfinished | UUA | Unfinished Utility Attic |
| FHS | Half Story (Finished) | PRG | Pergola | UUS | Full Upper 2nd Story (Unfinished) |
| FOP | Open or Screened in Porch | PRT | Portico | WDK | Wood Deck |
| PTO | Patio | ||||
Building |
Details |
Land |
|||
| Building value | $ 253,800 | Bedrooms | 3 Bedrooms | USE CODE | 1010 |
| Replacement Cost | $302,168 | Bathrooms | 1 Full-0 Half | Lot Size (Acres) | 0.34 |
| Model | Residential | Total Rooms | 6 | Appraised Value | $ 211,800 |
| Style | Ranch | Heat Fuel | Gas | Assessed Value | $ 211,800 |
| Grade | Average | Heat Type | Hot Air | ||
| Year Built | 1969 | AC Type | None | ||
| Effective depreciation | 16 | Interior Floors | Carpet | ||
| Stories | 1 Story | Interior Walls | Drywall | ||
| Living Area sq/ft | 1,008 | Exterior Walls | Wood Shingle | ||
| Gross Area sq/ft | 2,555 | Roof Structure | Gable/Hip | ||
| Roof Cover | Asph/F Gls/Cmp | ||||
| Code | Description | Units/SQ ft | Appraised Value | Assessed Value |
| FPL1 | Fireplace 1 story | 1 | $ 4,200 | $ 4,200 |
| PAT2 | Patio-Good | 649 | $ 4,600 | $ 4,600 |
| BMT | Basement-Unfinished | 898 | $ 20,700 | $ 20,700 |
| SHED | Shed | 64 | $ 1,200 | $ 1,200 |