
| Appraised Value | Assessed Value | |
| Building Value | $ 620,300 | $ 620,300 |
| Extra Features | $ 53,500 | $ 53,500 |
| Outbuildings | $ 6,700 | $ 6,700 |
| Land Value | $ 152,900 | $ 152,900 |
| Totals | $ 833,400 | $ 833,400 |
| 2025
Community Preservation Act Tax $ 124.84 Hyannis FD Tax (Commercial) $ 0 Hyannis FD Tax (Residential) $ 1,941.82 Town Tax (Commercial) $ 0 Town Tax (Residential) $ 4,161.28 Total: $ 6,227.94 |
2024
Community Preservation Act Tax $ 158.84 Hyannis FD Tax (Commercial) $ 0 Hyannis FD Tax (Residential) $ 1,910.88 Town Tax (Commercial) $ 0 Town Tax (Residential) $ 5,294.73 Total: $ 7,364.45 |
| Residential Exemption Received= $233,792 |
| Owner: | Sale Date | Book/Page: | Sale Price: |
| KARUKAS, JAMES J & LYNE | 2021-08-02 | 34346/218 | $675000 |
| LAWRENCE, JOHN DERBY JR & DIANE B TRS | 2019-07-16 | 32158/0116 | $100 |
| LAWRENCE, J DERBY JR & DIANE B | 2008-10-01 | 23189/0120 | $475000 |
| EVANS, BRIAN W & LAUREL A TRS | 1998-05-28 | 11459/0185 | $1 |
| EVANS, BRIAN W & LAUREL A | 1990-03-15 | 7102/0102 | $219000 |
| MORIN, JACQUES N & MARTHA | 1990-01-15 | 7012/0112 | $226500 |
| MORIN, JACQUES N | 1987-11-15 | 6007/0079 | $1 |
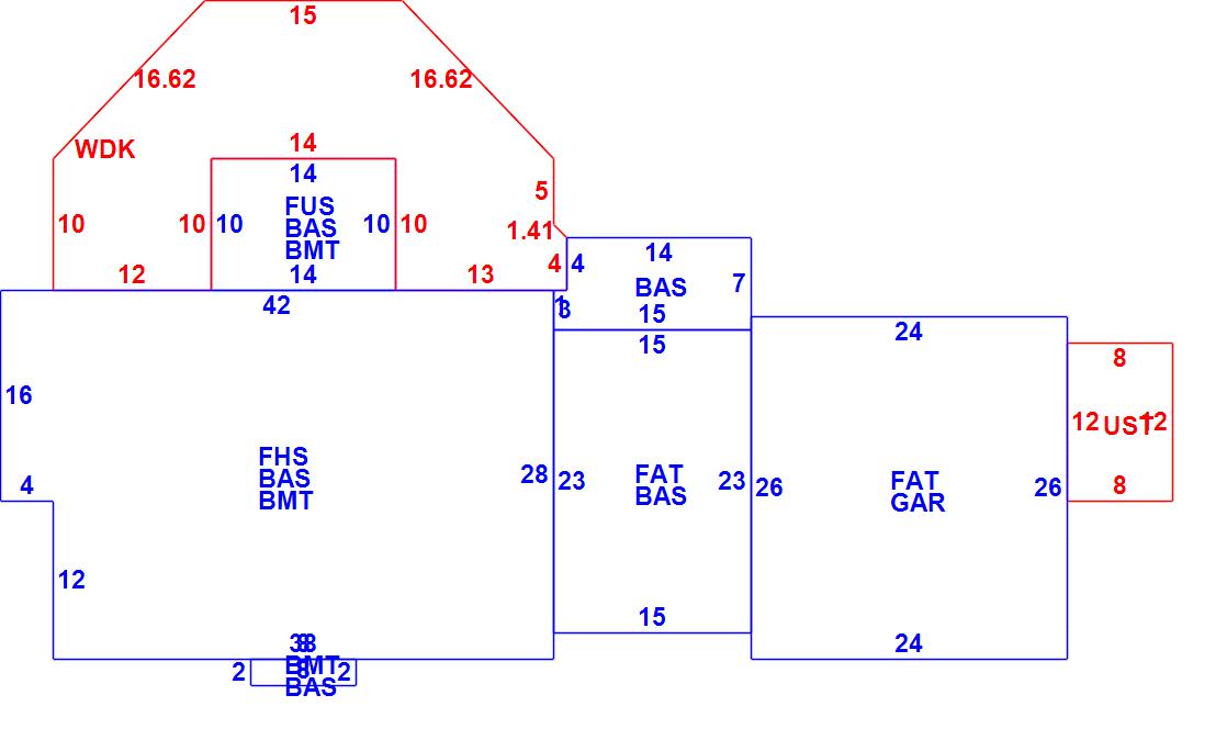
AsBuilt Card N/A

| B2N | Barn-any 2nd story area | FPC | Open Porch Concrete Floor | REF | Reference Only |
| BAS | First Floor, Living Area | FTS | Third Story Living Area (Finished) | SOL | Solarium |
| BMT | Basement Area (Unfinished) | FUS | Second Story Living Area (Finished) | SPE | Pool Enclosure |
| BRN | Barn | GAR | Garage | TQS | Three Quarters Story (Finished) |
| CAN | Canopy | GAZ | Gazebo | UAT | Attic Area (Unfinished) |
| CLP | Loading Platform | GRN | Greenhouse | UHS | Half Story (Unfinished) |
| FAT | Attic Area (Finished) | GXT | Garage Extension Front | UST | Utility Area (Unfinished) |
| FCP | Carport | KEN | Kennel | UTQ | Three Quarters Story (Unfinished) |
| FEP | Enclosed Porch | MZ1 | Mezzanine, Unfinished | UUA | Unfinished Utility Attic |
| FHS | Half Story (Finished) | PRG | Pergola | UUS | Full Upper 2nd Story (Unfinished) |
| FOP | Open or Screened in Porch | PRT | Portico | WDK | Wood Deck |
| PTO | Patio | ||||
Building |
Details |
Land |
|||
| Building value | $ 620,300 | Bedrooms | 3 Bedrooms | USE CODE | 1010 |
| Replacement Cost | $729,793 | Bathrooms | 2 Full-1 Half | Lot Size (Acres) | 0.37 |
| Model | Residential | Total Rooms | 6 Rooms | Appraised Value | $ 152,900 |
| Style | Cape Cod | Heat Fuel | Gas | Assessed Value | $ 152,900 |
| Grade | Average Plus | Heat Type | Hot Air | ||
| Year Built | 1990 | AC Type | Central | ||
| Effective depreciation | 15 | Interior Floors | CarpetHardwood | ||
| Stories | 1 1/2 Stories | Interior Walls | Drywall | ||
| Living Area sq/ft | 2,579 | Exterior Walls | Wood Shingle | ||
| Gross Area sq/ft | 6,534 | Roof Structure | Gable/Hip | ||
| Roof Cover | Asph/F Gls/Cmp | ||||
| Code | Description | Units/SQ ft | Appraised Value | Assessed Value |
| FPL2 | Fireplace 1.5 stories | 1 | $ 5,100 | $ 5,100 |
| WDCK | Wood Decking w/railings | 562 | $ 6,700 | $ 6,700 |
| GAR | Attached Garage | 624 | $ 18,400 | $ 18,400 |
| UST | Utility Storage-attached | 96 | $ 1,100 | $ 1,100 |
| BMT | Basement-Unfinished | 1284 | $ 26,800 | $ 26,800 |
| FPLG | Gas Fireplace-Direct Vent | 1 | $ 2,100 | $ 2,100 |