
| Appraised Value | Assessed Value | |
| Building Value | $ 531,700 | $ 531,700 |
| Extra Features | $ 39,300 | $ 39,300 |
| Outbuildings | $ 4,000 | $ 4,000 |
| Land Value | $ 907,400 | $ 907,400 |
| Totals | $ 1,482,400 | $ 1,482,400 |
| 2025
Community Preservation Act Tax $ 308.64 Hyannis FD Tax (Commercial) $ 0 Hyannis FD Tax (Residential) $ 3,453.99 Town Tax (Commercial) $ 0 Town Tax (Residential) $ 10,287.86 Total: $ 14,050.49 |
2024
Community Preservation Act Tax $ 288.46 Hyannis FD Tax (Commercial) $ 0 Hyannis FD Tax (Residential) $ 3,470.16 Town Tax (Commercial) $ 0 Town Tax (Residential) $ 9,615.24 Total: $ 13,373.86 |
| Owner: | Sale Date | Book/Page: | Sale Price: |
| MAHAN, JOYCE A TR | 2015-10-28 | 29232/0014 | $0 |
| MAHAN, JOHN J & JOYCE A TRS | 2011-09-27 | 25706/0314 | $1 |
| MAHAN, JOHN J TR | 1997-11-04 | 11044/0117 | $1 |
| MAHAN, JOHN J & JOYCE A | 1977-06-15 | 2528/0159 | $0 |
AsBuilt Card N/A

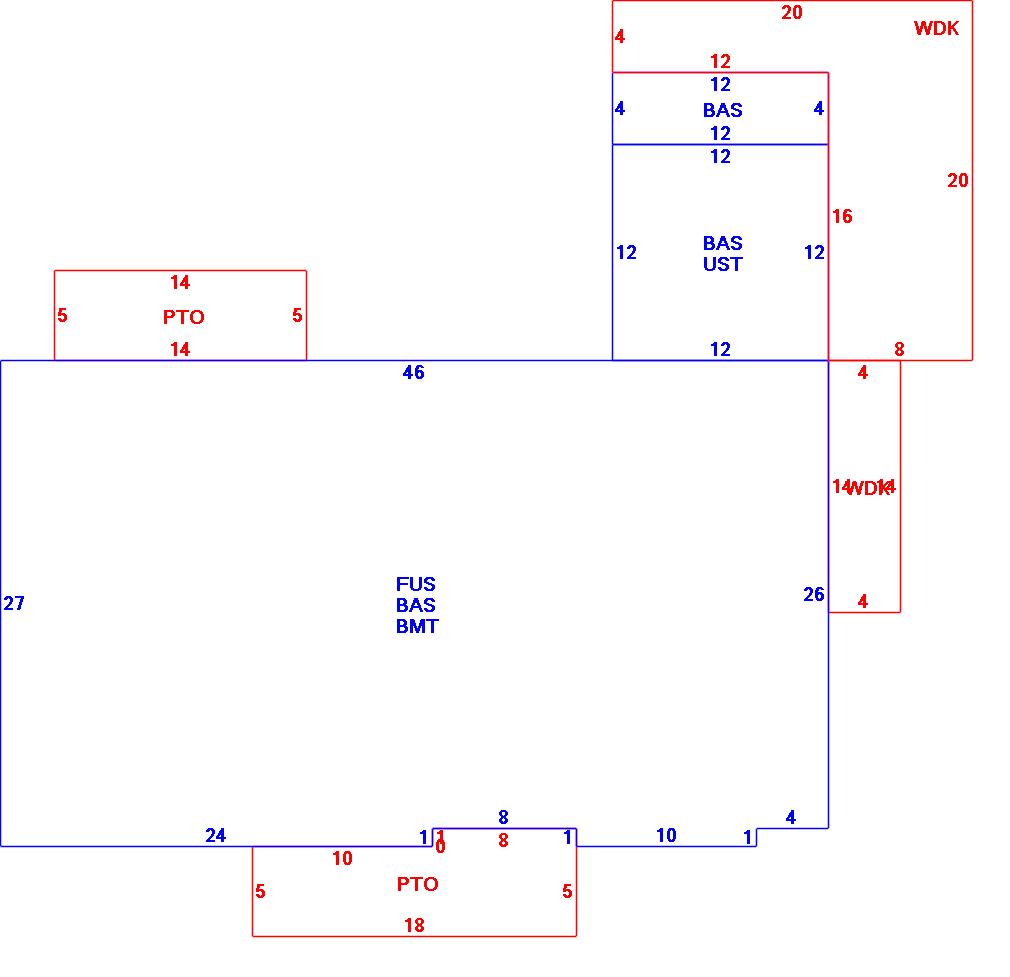
| B2N | Barn-any 2nd story area | FPC | Open Porch Concrete Floor | REF | Reference Only |
| BAS | First Floor, Living Area | FTS | Third Story Living Area (Finished) | SOL | Solarium |
| BMT | Basement Area (Unfinished) | FUS | Second Story Living Area (Finished) | SPE | Pool Enclosure |
| BRN | Barn | GAR | Garage | TQS | Three Quarters Story (Finished) |
| CAN | Canopy | GAZ | Gazebo | UAT | Attic Area (Unfinished) |
| CLP | Loading Platform | GRN | Greenhouse | UHS | Half Story (Unfinished) |
| FAT | Attic Area (Finished) | GXT | Garage Extension Front | UST | Utility Area (Unfinished) |
| FCP | Carport | KEN | Kennel | UTQ | Three Quarters Story (Unfinished) |
| FEP | Enclosed Porch | MZ1 | Mezzanine, Unfinished | UUA | Unfinished Utility Attic |
| FHS | Half Story (Finished) | PRG | Pergola | UUS | Full Upper 2nd Story (Unfinished) |
| FOP | Open or Screened in Porch | PRT | Portico | WDK | Wood Deck |
| PTO | Patio | ||||
Building |
Details |
Land |
|||
| Building value | $ 531,700 | Bedrooms | 5 Bedrooms | USE CODE | 1010 |
| Replacement Cost | $699,603 | Bathrooms | 2 Full-1 Half | Lot Size (Acres) | 0.29 |
| Model | Residential | Total Rooms | 7 Rooms | Appraised Value | $ 907,400 |
| Style | Gambrel | Heat Fuel | Oil | Assessed Value | $ 907,400 |
| Grade | Average Plus | Heat Type | Hot Water | ||
| Year Built | 1967 | AC Type | None | ||
| Effective depreciation | 24 | Interior Floors | HardwoodCarpet | ||
| Stories | 2 Stories | Interior Walls | Drywall | ||
| Living Area sq/ft | 2,652 | Exterior Walls | Wood Shingle | ||
| Gross Area sq/ft | 4,458 | Roof Structure | Gambrel | ||
| Roof Cover | Asph/F Gls/Cmp | ||||
| Code | Description | Units/SQ ft | Appraised Value | Assessed Value |
| FPL3 | Fireplace 2 story | 1 | $ 5,300 | $ 5,300 |
| FPO | Ext FP Opening | 1 | $ 1,500 | $ 1,500 |
| BFA | Bsmt Fin-Avg | 600 | $ 7,900 | $ 7,900 |
| WDCK | Wood Decking w/railings | 264 | $ 2,900 | $ 2,900 |
| UST | Utility Storage-attached | 144 | $ 1,400 | $ 1,400 |
| BMT | Basement-Unfinished | 1230 | $ 23,200 | $ 23,200 |
| PATC | Conc Pavers W/Conc | 70 | $ 600 | $ 600 |
| PAT2 | Patio-Good | 90 | $ 500 | $ 500 |