
| Appraised Value | Assessed Value | |
| Building Value | $ 449,200 | $ 449,200 |
| Extra Features | $ 47,600 | $ 47,600 |
| Outbuildings | $ 9,100 | $ 9,100 |
| Land Value | $ 182,600 | $ 182,600 |
| Totals | $ 688,500 | $ 688,500 |
| 2025
Community Preservation Act Tax $ 94.67 Cotuit FD Tax (Commercial) $ 0 Cotuit FD Tax (Residential) $ 970.79 Town Tax (Commercial) $ 0 Town Tax (Residential) $ 3,155.67 Total: $ 4,221.13 |
2024
Community Preservation Act Tax $ 89.27 Cotuit FD Tax (Commercial) $ 0 Cotuit FD Tax (Residential) $ 814.01 Town Tax (Commercial) $ 0 Town Tax (Residential) $ 2,975.79 Total: $ 3,879.07 |
| Residential Exemption Received= $233,792 |
Residential Exemption Received= $214,313 |
| Owner: | Sale Date | Book/Page: | Sale Price: |
| BOWES, RICHARD L & SUZANNE E | 2009-09-24 | C189591/0 | $371000 |
| LARRABEE, EARL THOMAS JR & SHARON L | 1993-12-15 | C132290/0 | $135000 |
| NORKEVICIUS, ALGIMANTAS J | 1985-10-15 | C103722/0 | $127500 |
| BROWN, WILLIAM & LINDA | 1985-02-15 | C100265/0 | $25000 |
| THOMPSON, PATRICIA A | 1979-02-09 | C77262/0 | $0 |
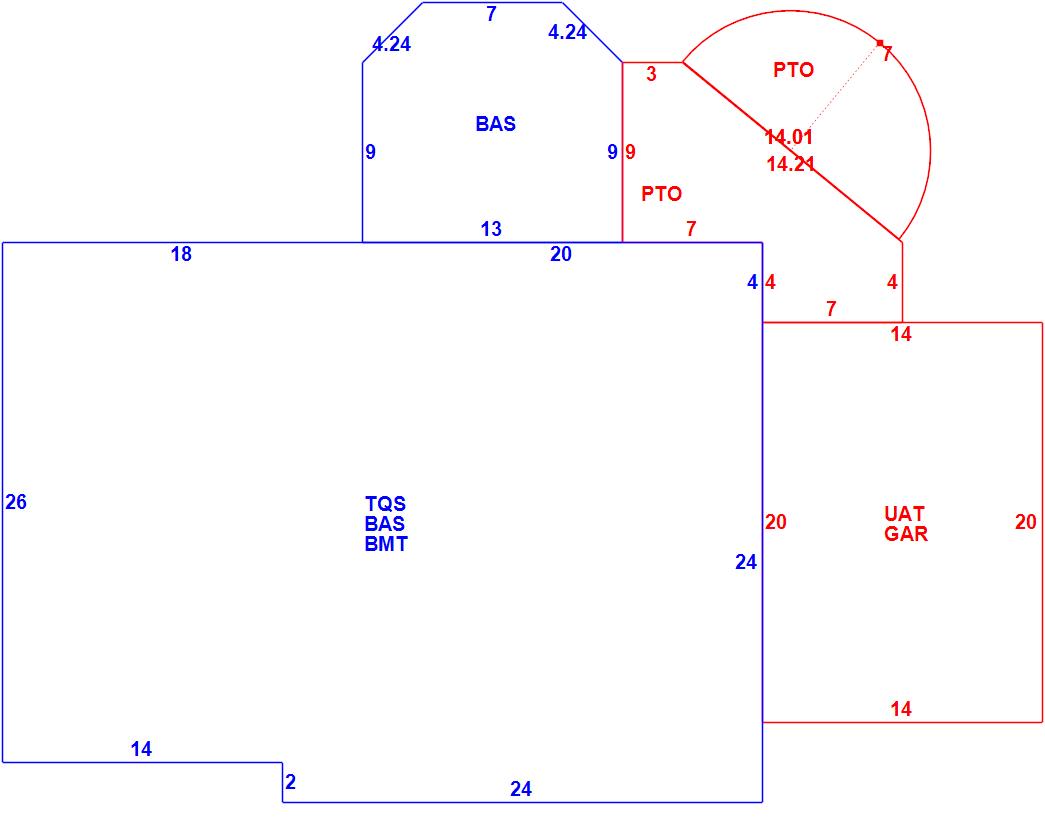
| As Built Cards:Click card # to view: | Card #1 | |

| B2N | Barn-any 2nd story area | FPC | Open Porch Concrete Floor | REF | Reference Only |
| BAS | First Floor, Living Area | FTS | Third Story Living Area (Finished) | SOL | Solarium |
| BMT | Basement Area (Unfinished) | FUS | Second Story Living Area (Finished) | SPE | Pool Enclosure |
| BRN | Barn | GAR | Garage | TQS | Three Quarters Story (Finished) |
| CAN | Canopy | GAZ | Gazebo | UAT | Attic Area (Unfinished) |
| CLP | Loading Platform | GRN | Greenhouse | UHS | Half Story (Unfinished) |
| FAT | Attic Area (Finished) | GXT | Garage Extension Front | UST | Utility Area (Unfinished) |
| FCP | Carport | KEN | Kennel | UTQ | Three Quarters Story (Unfinished) |
| FEP | Enclosed Porch | MZ1 | Mezzanine, Unfinished | UUA | Unfinished Utility Attic |
| FHS | Half Story (Finished) | PRG | Pergola | UUS | Full Upper 2nd Story (Unfinished) |
| FOP | Open or Screened in Porch | PRT | Portico | WDK | Wood Deck |
| PTO | Patio | ||||
Building |
Details |
Land |
|||
| Building value | $ 449,200 | Bedrooms | 3 Bedrooms | USE CODE | 1010 |
| Replacement Cost | $516,367 | Bathrooms | 2 Full-0 Half | Lot Size (Acres) | 0.52 |
| Model | Residential | Total Rooms | 6 Rooms | Appraised Value | $ 182,600 |
| Style | Cape Cod | Heat Fuel | Gas | Assessed Value | $ 182,600 |
| Grade | Average | Heat Type | Hot Water | ||
| Year Built | 1985 | AC Type | Central | ||
| Effective depreciation | 13 | Interior Floors | Hardwood | ||
| Stories | 1 3/4 Stories | Interior Walls | Drywall | ||
| Living Area sq/ft | 1,856 | Exterior Walls | Wood Shingle | ||
| Gross Area sq/ft | 3,997 | Roof Structure | Gable/Hip | ||
| Roof Cover | Asph/F Gls/Cmp | ||||
| Code | Description | Units/SQ ft | Appraised Value | Assessed Value |
| FPL2 | Fireplace 1.5 stories | 1 | $ 5,200 | $ 5,200 |
| SHED | Shed | 140 | $ 1,900 | $ 1,900 |
| BFA | Bsmt Fin-Avg | 360 | $ 5,400 | $ 5,400 |
| GAR | Attached Garage | 280 | $ 11,100 | $ 11,100 |
| BMT | Basement-Unfinished | 1036 | $ 23,700 | $ 23,700 |
| PAT2 | Patio-Good | 182 | $ 1,900 | $ 1,900 |
| FPLG | Gas Fireplace-Direct Vent | 1 | $ 2,200 | $ 2,200 |
| GEN | Emergency Generator | 1 | $ 5,300 | $ 5,300 |