
| Appraised Value | Assessed Value | |
| Building Value | $ 550,000 | $ 550,000 |
| Extra Features | $ 71,700 | $ 71,700 |
| Outbuildings | $ 0 | $ 0 |
| Land Value | $ 156,500 | $ 156,500 |
| Totals | $ 778,200 | $ 778,200 |
| 2025
C.O.M.M. FD Tax (Commercial) $ 0 C.O.M.M. FD Tax (Residential) $ 894.93 Community Preservation Act Tax $ 113.35 Town Tax (Commercial) $ 0 Town Tax (Residential) $ 3,778.19 Total: $ 4,786.47 |
2024
C.O.M.M. FD Tax (Commercial) $ 0 C.O.M.M. FD Tax (Residential) $ 894.36 Community Preservation Act Tax $ 111.06 Town Tax (Commercial) $ 0 Town Tax (Residential) $ 3,701.97 Total: $ 4,707.39 |
| Residential Exemption Received= $233,792 |
Residential Exemption Received= $214,313 |
| Owner: | Sale Date | Book/Page: | Sale Price: |
| BILL, JOHN F & OAKES, AMY E | 2022-05-04 | C229838/0 | $891000 |
| PIERCE BUILDING COMPANY LLC | 2021-07-01 | C226809/0 | $175000 |
| LEONARD, JANICE TR | 2020-04-07 | C222258/0 | $80000 |
| DAVIS, ELLEN M & THOMAS C TRS | 2015-07-20 | D1274135/0 | $0 |
| PIKE, ELLEN M & CONATHAN, JOHN II TRS | 1979-07-06 | C78750/0 | $0 |
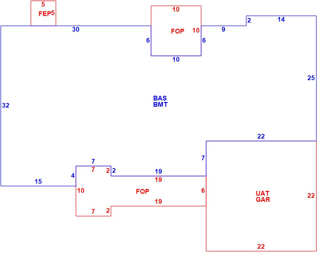
AsBuilt Card N/A

| B2N | Barn-any 2nd story area | FPC | Open Porch Concrete Floor | REF | Reference Only |
| BAS | First Floor, Living Area | FTS | Third Story Living Area (Finished) | SOL | Solarium |
| BMT | Basement Area (Unfinished) | FUS | Second Story Living Area (Finished) | SPE | Pool Enclosure |
| BRN | Barn | GAR | Garage | TQS | Three Quarters Story (Finished) |
| CAN | Canopy | GAZ | Gazebo | UAT | Attic Area (Unfinished) |
| CLP | Loading Platform | GRN | Greenhouse | UHS | Half Story (Unfinished) |
| FAT | Attic Area (Finished) | GXT | Garage Extension Front | UST | Utility Area (Unfinished) |
| FCP | Carport | KEN | Kennel | UTQ | Three Quarters Story (Unfinished) |
| FEP | Enclosed Porch | MZ1 | Mezzanine, Unfinished | UUA | Unfinished Utility Attic |
| FHS | Half Story (Finished) | PRG | Pergola | UUS | Full Upper 2nd Story (Unfinished) |
| FOP | Open or Screened in Porch | PRT | Portico | WDK | Wood Deck |
| PTO | Patio | ||||
Building |
Details |
Land |
|||
| Building value | $ 550,000 | Bedrooms | 3 Bedrooms | USE CODE | 1010 |
| Replacement Cost | $555,590 | Bathrooms | 2 Full-0 Half | Lot Size (Acres) | 0.48 |
| Model | Residential | Total Rooms | 6 Rooms | Appraised Value | $ 156,500 |
| Style | Ranch | Heat Fuel | Gas | Assessed Value | $ 156,500 |
| Grade | Average Plus | Heat Type | Hot Air | ||
| Year Built | 2022 | AC Type | Central | ||
| Effective depreciation | 1 | Interior Floors | Hardwood | ||
| Stories | 1 Story | Interior Walls | Drywall | ||
| Living Area sq/ft | 1,720 | Exterior Walls | Vinyl Siding | ||
| Gross Area sq/ft | 4,717 | Roof Structure | Gable/Hip | ||
| Roof Cover | Asph/F Gls/Cmp | ||||
| Code | Description | Units/SQ ft | Appraised Value | Assessed Value |
| BMT | Basement-Unfinished | 1720 | $ 39,000 | $ 39,000 |
| GAR | Attached Garage | 484 | $ 18,000 | $ 18,000 |
| FOP | Open Porch-roof-ceiling | 284 | $ 11,200 | $ 11,200 |
| FEP | Enclosed porch-roof,ceiling | 25 | $ 3,500 | $ 3,500 |