
| Appraised Value | Assessed Value | |
| Building Value | $ 314,700 | $ 314,700 |
| Extra Features | $ 34,500 | $ 34,500 |
| Outbuildings | $ 5,500 | $ 5,500 |
| Land Value | $ 158,000 | $ 158,000 |
| Totals | $ 512,700 | $ 512,700 |
| 2025
C.O.M.M. FD Tax (Commercial) $ 0 C.O.M.M. FD Tax (Residential) $ 589.61 Community Preservation Act Tax $ 58.07 Town Tax (Commercial) $ 0 Town Tax (Residential) $ 1,935.62 Total: $ 2,583.30 |
2024
C.O.M.M. FD Tax (Commercial) $ 0 C.O.M.M. FD Tax (Residential) $ 585.92 Community Preservation Act Tax $ 58.01 Town Tax (Commercial) $ 0 Town Tax (Residential) $ 1,933.73 Total: $ 2,577.66 |
| Residential Exemption Received= $233,792 |
Residential Exemption Received= $214,313 |
| Owner: | Sale Date | Book/Page: | Sale Price: |
| MARC-AURELE, ROBERT L & NANCY E | 2023-02-03 | 35626/123 | $10 |
| MARC-AURELE, ROBERT & NANCY | 2003-09-30 | 17722/0225 | $245000 |
| FREITAS, MATTHEW J & FRANCOIS, FABIENNE | 2002-04-30 | 15102/0321 | $184900 |
| SEITH, ERIK K & ELLEN | 2001-06-22 | 13962/0201 | $1 |
| SEITH, ERIK K | 1998-05-21 | 11443/0124 | $1 |
| SEITH, ERIK K & ANN E | 1988-05-15 | 6261/0039 | $112000 |
| MARTIN, JEAN T | 1984-08-15 | 4228/0138 | $57200 |
| RICHARDS, RAYMOND | 1978-06-23 | 2734/0242 | $0 |
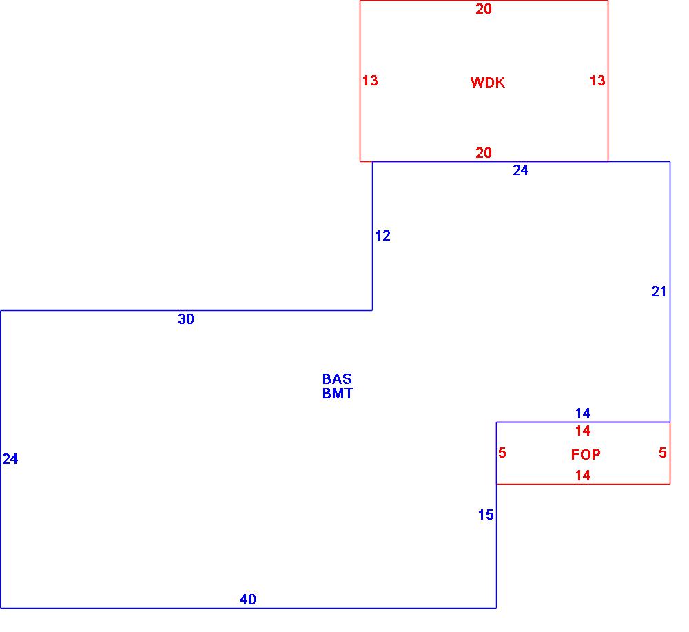
| As Built Cards:Click card # to view: | Card #1 | |

| B2N | Barn-any 2nd story area | FPC | Open Porch Concrete Floor | REF | Reference Only |
| BAS | First Floor, Living Area | FTS | Third Story Living Area (Finished) | SOL | Solarium |
| BMT | Basement Area (Unfinished) | FUS | Second Story Living Area (Finished) | SPE | Pool Enclosure |
| BRN | Barn | GAR | Garage | TQS | Three Quarters Story (Finished) |
| CAN | Canopy | GAZ | Gazebo | UAT | Attic Area (Unfinished) |
| CLP | Loading Platform | GRN | Greenhouse | UHS | Half Story (Unfinished) |
| FAT | Attic Area (Finished) | GXT | Garage Extension Front | UST | Utility Area (Unfinished) |
| FCP | Carport | KEN | Kennel | UTQ | Three Quarters Story (Unfinished) |
| FEP | Enclosed Porch | MZ1 | Mezzanine, Unfinished | UUA | Unfinished Utility Attic |
| FHS | Half Story (Finished) | PRG | Pergola | UUS | Full Upper 2nd Story (Unfinished) |
| FOP | Open or Screened in Porch | PRT | Portico | WDK | Wood Deck |
| PTO | Patio | ||||
Building |
Details |
Land |
|||
| Building value | $ 314,700 | Bedrooms | 2 Bedrooms | USE CODE | 1010 |
| Replacement Cost | $388,485 | Bathrooms | 2 Full-0 Half | Lot Size (Acres) | 0.51 |
| Model | Residential | Total Rooms | 6 | Appraised Value | $ 158,000 |
| Style | Ranch | Heat Fuel | Oil | Assessed Value | $ 158,000 |
| Grade | Average | Heat Type | Hot Water | ||
| Year Built | 1978 | AC Type | None | ||
| Effective depreciation | 19 | Interior Floors | Hardwood | ||
| Stories | 1 Story | Interior Walls | Drywall | ||
| Living Area sq/ft | 1,374 | Exterior Walls | Wood Shingle | ||
| Gross Area sq/ft | 3,078 | Roof Structure | Gable/Hip | ||
| Roof Cover | Asph/F Gls/Cmp | ||||
| Code | Description | Units/SQ ft | Appraised Value | Assessed Value |
| FPL1 | Fireplace 1 story | 1 | $ 4,100 | $ 4,100 |
| WDC | Wood Deck w/o railings | 260 | $ 3,600 | $ 3,600 |
| FOP | Open Porch-roof-ceiling | 70 | $ 3,500 | $ 3,500 |
| BMT | Basement-Unfinished | 1374 | $ 26,900 | $ 26,900 |
| SHD2 | Shed w/Elec | 120 | $ 1,900 | $ 1,900 |