
| Appraised Value | Assessed Value | |
| Building Value | $ 667,900 | $ 667,900 |
| Extra Features | $ 29,600 | $ 29,600 |
| Outbuildings | $ 2,800 | $ 2,800 |
| Land Value | $ 339,300 | $ 339,300 |
| Totals | $ 1,039,600 | $ 1,039,600 |
| 2025
C.O.M.M. FD Tax (Commercial) $ 0 C.O.M.M. FD Tax (Residential) $ 1,195.54 Community Preservation Act Tax $ 216.44 Town Tax (Commercial) $ 0 Town Tax (Residential) $ 7,214.82 Total: $ 8,626.80 |
2024
C.O.M.M. FD Tax (Commercial) $ 0 C.O.M.M. FD Tax (Residential) $ 1,163.83 Community Preservation Act Tax $ 200.16 Town Tax (Commercial) $ 0 Town Tax (Residential) $ 6,671.95 Total: $ 8,035.94 |
| Owner: | Sale Date | Book/Page: | Sale Price: |
| HARLOW & SUGAR LLC | 2020-12-02 | 33533/0312 | $750000 |
| HOBART, DAVID F & BECKY B | 1997-03-12 | 10647/0021 | $232000 |
| CATUSI, LAWRENCE R& SANDRA | 1981-04-03 | 3264/0009 | $0 |
| As Built Cards:Click card # to view: | Card #1 | | Card #2 | |
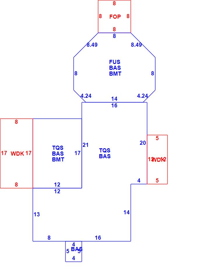
This property contains multiple sketches.

| B2N | Barn-any 2nd story area | FPC | Open Porch Concrete Floor | REF | Reference Only |
| BAS | First Floor, Living Area | FTS | Third Story Living Area (Finished) | SOL | Solarium |
| BMT | Basement Area (Unfinished) | FUS | Second Story Living Area (Finished) | SPE | Pool Enclosure |
| BRN | Barn | GAR | Garage | TQS | Three Quarters Story (Finished) |
| CAN | Canopy | GAZ | Gazebo | UAT | Attic Area (Unfinished) |
| CLP | Loading Platform | GRN | Greenhouse | UHS | Half Story (Unfinished) |
| FAT | Attic Area (Finished) | GXT | Garage Extension Front | UST | Utility Area (Unfinished) |
| FCP | Carport | KEN | Kennel | UTQ | Three Quarters Story (Unfinished) |
| FEP | Enclosed Porch | MZ1 | Mezzanine, Unfinished | UUA | Unfinished Utility Attic |
| FHS | Half Story (Finished) | PRG | Pergola | UUS | Full Upper 2nd Story (Unfinished) |
| FOP | Open or Screened in Porch | PRT | Portico | WDK | Wood Deck |
| PTO | Patio | ||||
Building |
Details |
Land |
|||
| Building value | $ 667,900 | Bedrooms | 2 Bedrooms | USE CODE | 1090 |
| Replacement Cost | $792,460 | Bathrooms | 2 Full-1 Half | Lot Size (Acres) | 0.41 |
| Model | Residential | Total Rooms | 6 Rooms | Appraised Value | $ 339,300 |
| Style | Conventional | Heat Fuel | Gas | Assessed Value | $ 339,300 |
| Grade | Custom Plus | Heat Type | Hot Water | ||
| Year Built | 1825 | AC Type | None | ||
| Effective depreciation | 23 | Interior Floors | Pine/Soft WoodCarpet | ||
| Stories | 1 3/4 Stories | Interior Walls | Plastered | ||
| Living Area sq/ft | 2,009 | Exterior Walls | Wood Shingle | ||
| Gross Area sq/ft | 3,065 | Roof Structure | Gable/Hip | ||
| Roof Cover | Wood Shingle | ||||
| Code | Description | Units/SQ ft | Appraised Value | Assessed Value |
| FPL3 | Fireplace 2 story | 1 | $ 5,400 | $ 5,400 |
| FPO | Ext FP Opening | 2 | $ 3,100 | $ 3,100 |
| BFA | Bsmt Fin-Avg | 288 | $ 5,000 | $ 5,000 |
| WDCK | Wood Decking w/railings | 196 | $ 1,600 | $ 1,600 |
| FOP | Open Porch-roof-ceiling | 64 | $ 3,100 | $ 3,100 |
| BMT | Basement-Unfinished | 499 | $ 13,000 | $ 13,000 |
| SHED | Shed | 48 | $ 400 | $ 400 |
| SHED | Shed | 96 | $ 800 | $ 800 |