
| Appraised Value | Assessed Value | |
| Building Value | $ 776,800 | $ 776,800 |
| Extra Features | $ 40,900 | $ 40,900 |
| Outbuildings | $ 36,500 | $ 36,500 |
| Land Value | $ 1,917,000 | $ 1,917,000 |
| Totals | $ 2,771,200 | $ 2,771,200 |
| 2025
C.O.M.M. FD Tax (Commercial) $ 0 C.O.M.M. FD Tax (Residential) $ 3,186.88 Community Preservation Act Tax $ 576.96 Town Tax (Commercial) $ 0 Town Tax (Residential) $ 19,232.13 Total: $ 22,995.97 |
2024
C.O.M.M. FD Tax (Commercial) $ 0 C.O.M.M. FD Tax (Residential) $ 3,158.80 Community Preservation Act Tax $ 543.26 Town Tax (Commercial) $ 0 Town Tax (Residential) $ 18,108.62 Total: $ 21,810.68 |
| Owner: | Sale Date | Book/Page: | Sale Price: |
| SHULMAN, OLGA AGINSKY TR | 2017-02-24 | D1315601/0 | $1 |
| SHULMAN, OLGA AGINSKY | 2017-02-17 | D1315214/0 | $1150000 |
| GRALTON, KATHLEEN M TR | 2013-03-22 | D1217134/0 | $0 |
| GRALTON, BEATRICE E TR | 1995-05-15 | C137314/0 | $1 |
| GRALTON, BEATRICE E | 1984-07-15 | C97612/0 | $0 |
| GRALTON, RICHARD T | 1981-08-15 | C86588/0 | $387500 |
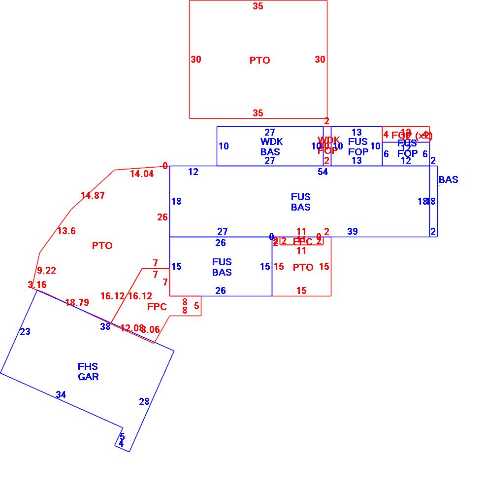
| As Built Cards:Click card # to view: | Card #1 | | Card #2 | | Card #3 | |

| B2N | Barn-any 2nd story area | FPC | Open Porch Concrete Floor | REF | Reference Only |
| BAS | First Floor, Living Area | FTS | Third Story Living Area (Finished) | SOL | Solarium |
| BMT | Basement Area (Unfinished) | FUS | Second Story Living Area (Finished) | SPE | Pool Enclosure |
| BRN | Barn | GAR | Garage | TQS | Three Quarters Story (Finished) |
| CAN | Canopy | GAZ | Gazebo | UAT | Attic Area (Unfinished) |
| CLP | Loading Platform | GRN | Greenhouse | UHS | Half Story (Unfinished) |
| FAT | Attic Area (Finished) | GXT | Garage Extension Front | UST | Utility Area (Unfinished) |
| FCP | Carport | KEN | Kennel | UTQ | Three Quarters Story (Unfinished) |
| FEP | Enclosed Porch | MZ1 | Mezzanine, Unfinished | UUA | Unfinished Utility Attic |
| FHS | Half Story (Finished) | PRG | Pergola | UUS | Full Upper 2nd Story (Unfinished) |
| FOP | Open or Screened in Porch | PRT | Portico | WDK | Wood Deck |
| PTO | Patio | ||||
Building |
Details |
Land |
|||
| Building value | $ 776,800 | Bedrooms | 5 Bedrooms | USE CODE | 1010 |
| Replacement Cost | $1,008,881 | Bathrooms | 5 Full-0 Half | Lot Size (Acres) | 2.71 |
| Model | Residential | Total Rooms | 8 Rooms | Appraised Value | $ 1,917,000 |
| Style | Colonial | Heat Fuel | Gas | Assessed Value | $ 1,917,000 |
| Grade | Average Plus | Heat Type | Hot Air | ||
| Year Built | 1970 | AC Type | Central | ||
| Effective depreciation | 23 | Interior Floors | Brick FloorPine/Soft Wood | ||
| Stories | 2 Stories | Interior Walls | Plastered | ||
| Living Area sq/ft | 4,111 | Exterior Walls | Wood Shingle | ||
| Gross Area sq/ft | 8,458 | Roof Structure | Gable/Hip | ||
| Roof Cover | Asph/F Gls/Cmp | ||||
| Code | Description | Units/SQ ft | Appraised Value | Assessed Value |
| FPL3 | Fireplace 2 story | 2 | $ 10,800 | $ 10,800 |
| FPO | Ext FP Opening | 1 | $ 1,500 | $ 1,500 |
| PAT2 | Patio-Good | 203 | $ 1,700 | $ 1,700 |
| WDCV | Deck comp w vinyl railings | 290 | $ 4,300 | $ 4,300 |
| GEN | Emergency Generator | 1 | $ 4,000 | $ 4,000 |
| PATC | Conc Pavers W/Conc | 1050 | $ 11,000 | $ 11,000 |
| FOPC | Open Prch-roof, ceiling | 228 | $ 6,800 | $ 6,800 |
| GAR | Attached Garage | 894 | $ 21,800 | $ 21,800 |
| FPIT | Fire Pit | 1 | $ 2,800 | $ 2,800 |
| PATF | Flagstone Pavers on conc | 894 | $ 12,700 | $ 12,700 |