
| Appraised Value | Assessed Value | |
| Building Value | $ 1,286,600 | $ 1,286,600 |
| Extra Features | $ 96,800 | $ 96,800 |
| Outbuildings | $ 50,400 | $ 50,400 |
| Land Value | $ 1,229,800 | $ 1,229,800 |
| Totals | $ 2,663,600 | $ 2,663,600 |
| 2025
C.O.M.M. FD Tax (Commercial) $ 0 C.O.M.M. FD Tax (Residential) $ 3,063.14 Community Preservation Act Tax $ 505.89 Town Tax (Commercial) $ 0 Town Tax (Residential) $ 16,862.87 Total: $ 20,431.90 |
2024
C.O.M.M. FD Tax (Commercial) $ 0 C.O.M.M. FD Tax (Residential) $ 2,901.51 Community Preservation Act Tax $ 456.25 Town Tax (Commercial) $ 0 Town Tax (Residential) $ 15,208.46 Total: $ 18,566.22 |
| Residential Exemption Received= $233,792 |
Residential Exemption Received= $214,313 |
| Owner: | Sale Date | Book/Page: | Sale Price: |
| BRIDGE, COURTNEY B TR | 2012-10-31 | C198592/0 | $915000 |
| SHEA, BETH E | 1993-12-15 | C132481/0 | $482421 |
| CHOPE, JOANNE B | 1984-08-15 | C97796/0 | $490000 |
| HIRONS & HIRONS, GP | 1983-05-15 | C91695/0 | $0 |
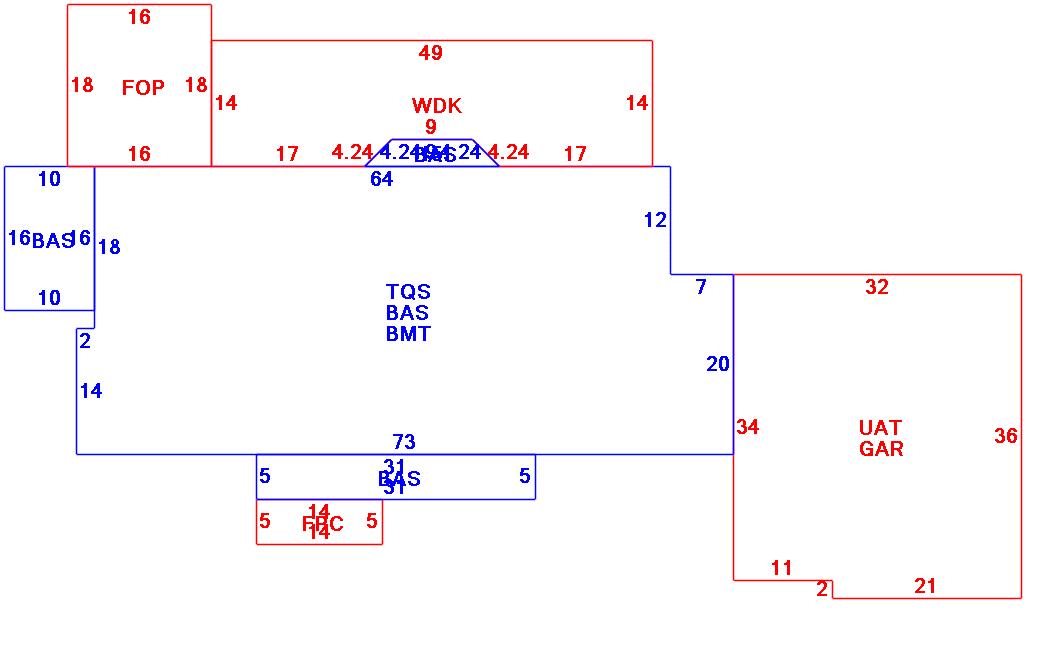
| As Built Cards:Click card # to view: | Card #1 | |
This property contains multiple sketches.

| B2N | Barn-any 2nd story area | FPC | Open Porch Concrete Floor | REF | Reference Only |
| BAS | First Floor, Living Area | FTS | Third Story Living Area (Finished) | SOL | Solarium |
| BMT | Basement Area (Unfinished) | FUS | Second Story Living Area (Finished) | SPE | Pool Enclosure |
| BRN | Barn | GAR | Garage | TQS | Three Quarters Story (Finished) |
| CAN | Canopy | GAZ | Gazebo | UAT | Attic Area (Unfinished) |
| CLP | Loading Platform | GRN | Greenhouse | UHS | Half Story (Unfinished) |
| FAT | Attic Area (Finished) | GXT | Garage Extension Front | UST | Utility Area (Unfinished) |
| FCP | Carport | KEN | Kennel | UTQ | Three Quarters Story (Unfinished) |
| FEP | Enclosed Porch | MZ1 | Mezzanine, Unfinished | UUA | Unfinished Utility Attic |
| FHS | Half Story (Finished) | PRG | Pergola | UUS | Full Upper 2nd Story (Unfinished) |
| FOP | Open or Screened in Porch | PRT | Portico | WDK | Wood Deck |
| PTO | Patio | ||||
Building |
Details |
Land |
|||
| Building value | $ 1,286,600 | Bedrooms | 5 Bedrooms | USE CODE | 1090 |
| Replacement Cost | $1,370,983 | Bathrooms | 4 Full-1 Half | Lot Size (Acres) | 2.11 |
| Model | Residential | Total Rooms | 11 Rooms | Appraised Value | $ 1,229,800 |
| Style | Cape Cod | Heat Fuel | Gas | Assessed Value | $ 1,229,800 |
| Grade | Custom | Heat Type | Hot Air | ||
| Year Built | 1976 | AC Type | Central | ||
| Effective depreciation | 12 | Interior Floors | Hardwood | ||
| Stories | 1 3/4 Stories | Interior Walls | Drywall | ||
| Living Area sq/ft | 4,007 | Exterior Walls | Wood Shingle | ||
| Gross Area sq/ft | 10,267 | Roof Structure | Gable/Hip | ||
| Roof Cover | Asph/F Gls/Cmp | ||||
| Code | Description | Units/SQ ft | Appraised Value | Assessed Value |
| FPL2 | Fireplace 1.5 stories | 2 | $ 10,600 | $ 10,600 |
| SPL2 | Pool Vinyl | 648 | $ 8,900 | $ 8,900 |
| WDCK | Wood Decking w/railings | 650 | $ 6,700 | $ 6,700 |
| FOP | Open Porch-roof-ceiling | 288 | $ 10,100 | $ 10,100 |
| GAR | Attached Garage | 1130 | $ 30,200 | $ 30,200 |
| BMT | Basement-Unfinished | 2216 | $ 42,700 | $ 42,700 |
| FOPC | Open Prch-roof, ceiling | 70 | $ 3,200 | $ 3,200 |
| SPH2 | Pool Heater 500-799sf pool | 1 | $ 2,700 | $ 2,700 |
| JCZI | Jacuzzi Outside ofPool | 1 | $ 8,600 | $ 8,600 |
| GEN | Emergency Generator | 1 | $ 4,900 | $ 4,900 |
| PAT1 | Patio- Average | 1431 | $ 6,800 | $ 6,800 |
| SPC1 | Pool Cover-Automatic-Avg | 648 | $ 10,000 | $ 10,000 |
| WDCK | Wood Decking w/railings | 180 | $ 1,800 | $ 1,800 |