
| Appraised Value | Assessed Value | |
| Building Value | $ 916,800 | $ 916,800 | 
| Extra Features | $ 14,800 | $ 14,800 | 
| Outbuildings | $ 15,100 | $ 15,100 | 
| Land Value | $ 0 | $ 0 | 
| Totals | $ 946,700 | $ 946,700 | 
| 2025 C.O.M.M. FD Tax (Commercial) $ 0 C.O.M.M. FD Tax (Residential) $ 1,088.71 Community Preservation Act Tax $ 197.10 Town Tax (Commercial) $ 0 Town Tax (Residential) $ 6,570.10 Total: $ 7,855.91 | 2024 C.O.M.M. FD Tax (Commercial) $ 0 C.O.M.M. FD Tax (Residential) $ 948.30 Community Preservation Act Tax $ 163.09 Town Tax (Commercial) $ 0 Town Tax (Residential) $ 5,436.38 Total: $ 6,547.77 | 
| Owner: | Sale Date | Book/Page: | Sale Price: | 
| MAHONEY, CLAUDIA I & BACKLUND, DON A TRS | 2014-06-23 | 28221/0020 | $439000 | 
| MCRAE, SUSAN H | 2014-05-01 | 28120/0215 | $305000 | 
| HUBBARD FAMILY LLC | 2012-01-19 | 26014/0245 | $1 | 
| BIXBY, NANCY H & HUBBARD, FRED A | 2012-01-19 | 26014/0242 | $1 | 
| BIXBY, NANCY H TR | 2010-01-12 | 24298/0036 | $0 | 
| BIXBY, NANCY H TR | 2008-06-19 | 22989/0156 | $1 | 
| HUBBARD, JEANNINE L | 1994-05-16 | 9193/0063 | $267500 | 
| DACEY, BRIAN T TR | 1993-08-15 | 8738/0050 | $305000 | 
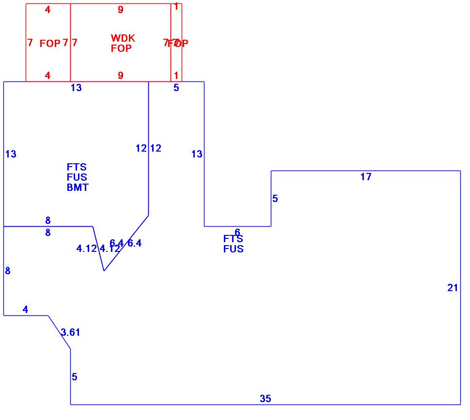
AsBuilt Card N/A

| B2N | Barn-any 2nd story area | FPC | Open Porch Concrete Floor | REF | Reference Only | 
| BAS | First Floor, Living Area | FTS | Third Story Living Area (Finished) | SOL | Solarium | 
| BMT | Basement Area (Unfinished) | FUS | Second Story Living Area (Finished) | SPE | Pool Enclosure | 
| BRN | Barn | GAR | Garage | TQS | Three Quarters Story (Finished) | 
| CAN | Canopy | GAZ | Gazebo | UAT | Attic Area (Unfinished) | 
| CLP | Loading Platform | GRN | Greenhouse | UHS | Half Story (Unfinished) | 
| FAT | Attic Area (Finished) | GXT | Garage Extension Front | UST | Utility Area (Unfinished) | 
| FCP | Carport | KEN | Kennel | UTQ | Three Quarters Story (Unfinished) | 
| FEP | Enclosed Porch | MZ1 | Mezzanine, Unfinished | UUA | Unfinished Utility Attic | 
| FHS | Half Story (Finished) | PRG | Pergola | UUS | Full Upper 2nd Story (Unfinished) | 
| FOP | Open or Screened in Porch | PRT | Portico | WDK | Wood Deck | 
| PTO | Patio | ||||
| Building | Details | Land | |||
| Building value | $ 916,800 | Bedrooms | 2 Bedrooms | USE CODE | 102U | 
| Replacement Cost | $1,007,457 | Bathrooms | 2 Full-1 Half | Lot Size (Acres) | 0 | 
| Model | Res Condo | Total Rooms | 4 Rooms | Appraised Value | $ 0 | 
| Style | Condominium | Heat Fuel | Gas | Assessed Value | $ 0 | 
| Grade | Average Plus | Heat Type | Hot Water | ||
| Year Built | 1988 | AC Type | Central | ||
| Effective depreciation | 9 | Interior Floors | Hardwood | ||
| Stories | 2 Stories | Interior Walls | Drywall | ||
| Living Area sq/ft | 1,860 | Exterior Walls | Vinyl Siding | ||
| Gross Area sq/ft | 2,198 | Roof Structure | Gable/Hip | ||
| Roof Cover | Asph/F Gls/Cmp | ||||
| Code | Description | Units/SQ ft | Appraised Value | Assessed Value | 
| FGR3 | Garage-Good-Wd Shingle | 336 | $ 13,100 | $ 13,100 | 
| FOP | Open Porch-roof-ceiling | 98 | $ 4,900 | $ 4,900 | 
| BMT | Basement-Unfinished | 177 | $ 7,600 | $ 7,600 | 
| WDCK | Wood Decking w/railings | 63 | $ 2,000 | $ 2,000 | 
| FPLG | Gas Fireplace-Direct Vent | 1 | $ 2,300 | $ 2,300 |