
| Appraised Value | Assessed Value | |
| Building Value | $ 816,400 | $ 816,400 |
| Extra Features | $ 98,900 | $ 98,900 |
| Outbuildings | $ 4,900 | $ 4,900 |
| Land Value | $ 1,037,500 | $ 1,037,500 |
| Totals | $ 1,957,700 | $ 1,957,700 |
| 2025
C.O.M.M. FD Tax (Commercial) $ 0 C.O.M.M. FD Tax (Residential) $ 2,251.36 Community Preservation Act Tax $ 407.59 Town Tax (Commercial) $ 0 Town Tax (Residential) $ 13,586.44 Total: $ 16,245.39 |
2024
C.O.M.M. FD Tax (Commercial) $ 0 C.O.M.M. FD Tax (Residential) $ 2,152.03 Community Preservation Act Tax $ 370.11 Town Tax (Commercial) $ 0 Town Tax (Residential) $ 12,337.08 Total: $ 14,859.22 |
| Owner: | Sale Date | Book/Page: | Sale Price: |
| WAITE, DAVID P & MARGARET M TRS | 2021-11-22 | 34687/082 | $1725000 |
| THOMAS, RICHARD R TR | 2021-03-11 | 34687/066 | $0 |
| STIMETS, VIRGINIA C TR | 2015-03-06 | 28722/0333 | $0 |
| STIMETS, VIRGINIA C & RICHARD R JR TRS | 2012-08-31 | 26638/0066 | $1 |
| STIMETS, VIRGINIA C | 2003-04-04 | 16695/0141 | $0 |
| STIMETS, RICHARD R & VIRGINIA C | 1997-03-21 | 10662/0048 | $1 |
| STIMETS, RICHARD R | 1996-02-21 | 10065/0223 | $1 |
| STIMETS, EDWARD & FLORENCE A | 1958-09-08 | 1014/0527 | $0 |
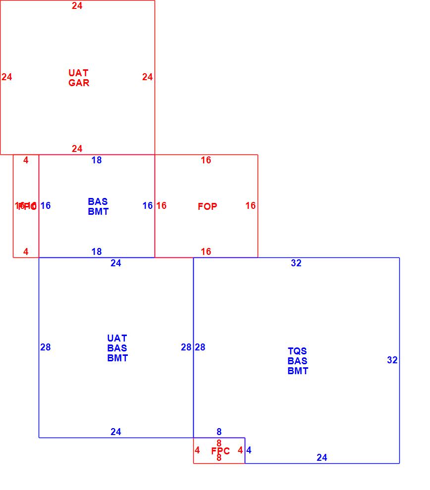
| As Built Cards:Click card # to view: | Card #1 | |

| B2N | Barn-any 2nd story area | FPC | Open Porch Concrete Floor | REF | Reference Only |
| BAS | First Floor, Living Area | FTS | Third Story Living Area (Finished) | SOL | Solarium |
| BMT | Basement Area (Unfinished) | FUS | Second Story Living Area (Finished) | SPE | Pool Enclosure |
| BRN | Barn | GAR | Garage | TQS | Three Quarters Story (Finished) |
| CAN | Canopy | GAZ | Gazebo | UAT | Attic Area (Unfinished) |
| CLP | Loading Platform | GRN | Greenhouse | UHS | Half Story (Unfinished) |
| FAT | Attic Area (Finished) | GXT | Garage Extension Front | UST | Utility Area (Unfinished) |
| FCP | Carport | KEN | Kennel | UTQ | Three Quarters Story (Unfinished) |
| FEP | Enclosed Porch | MZ1 | Mezzanine, Unfinished | UUA | Unfinished Utility Attic |
| FHS | Half Story (Finished) | PRG | Pergola | UUS | Full Upper 2nd Story (Unfinished) |
| FOP | Open or Screened in Porch | PRT | Portico | WDK | Wood Deck |
| PTO | Patio | ||||
Building |
Details |
Land |
|||
| Building value | $ 816,400 | Bedrooms | 4 Bedrooms | USE CODE | 1010 |
| Replacement Cost | $983,665 | Bathrooms | 2 Full-0 Half | Lot Size (Acres) | 0.53 |
| Model | Residential | Total Rooms | 6 Rooms | Appraised Value | $ 1,037,500 |
| Style | Cape Cod | Heat Fuel | Gas | Assessed Value | $ 1,037,500 |
| Grade | Custom | Heat Type | Hot Water | ||
| Year Built | 1964 | AC Type | Central | ||
| Effective depreciation | 17 | Interior Floors | Hardwood | ||
| Stories | 1 3/4 Stories | Interior Walls | Drywall | ||
| Living Area sq/ft | 2,597 | Exterior Walls | Wood Shingle | ||
| Gross Area sq/ft | 7,072 | Roof Structure | Gable/Hip | ||
| Roof Cover | Asph/F Gls/Cmp | ||||
| Code | Description | Units/SQ ft | Appraised Value | Assessed Value |
| FPL2 | Fireplace 1.5 stories | 1 | $ 5,000 | $ 5,000 |
| FPO | Ext FP Opening | 1 | $ 1,700 | $ 1,700 |
| FOP | Open Porch-roof-ceiling | 256 | $ 8,700 | $ 8,700 |
| GAR | Attached Garage | 576 | $ 17,000 | $ 17,000 |
| BMT | Basement-Unfinished | 1952 | $ 36,400 | $ 36,400 |
| GEN | Emergency Generator | 1 | $ 4,900 | $ 4,900 |
| BFA1 | Bsmt Fin-Good-Partitioned | 976 | $ 26,400 | $ 26,400 |
| FOPC | Open Prch-roof, ceiling | 96 | $ 3,700 | $ 3,700 |