Appraised Value | Assessed Value | |
Building Value | $ 387,300 | $ 387,300 |
Extra Features | $ 27,900 | $ 27,900 |
Outbuildings | $ 10,900 | $ 10,900 |
Land Value | $ 168,600 | $ 168,600 |
Totals | $ 594,700 | $ 594,700 |
2025
C.O.M.M. FD Tax (Commercial) $ 0 C.O.M.M. FD Tax (Residential) $ 683.91 Community Preservation Act Tax $ 75.14 Town Tax (Commercial) $ 0 Town Tax (Residential) $ 2,504.70 Total: $ 3,263.75 |
2024
C.O.M.M. FD Tax (Commercial) $ 0 C.O.M.M. FD Tax (Residential) $ 684.86 Community Preservation Act Tax $ 75.03 Town Tax (Commercial) $ 0 Town Tax (Residential) $ 2,500.98 Total: $ 3,260.87 |
Residential Exemption Received= $233,792 |
Residential Exemption Received= $214,313 |
Owner: | Sale Date | Book/Page: | Sale Price: |
ANDERSON, GLEN A & KAREN M TRS | 2015-06-23 | C206610/0 | $1 |
ANDERSON, GLEN A & KAREN | 1999-08-17 | C154383/0 | $1 |
ANDERSON, GLEN A | 1991-06-03 | C123499/0 | $107000 |
FEDERAL NATIONAL MORTGAGE ASSOCIATION | 1991-01-07 | C122433/0 | $10 |
MAXIM MORTGAGE CORP | 1991-01-07 | C122432/0 | $151264 |
PENSION NOMINEE CORP | 1989-12-21 | C119341/0 | $5000 |
GIANNETTI, MARIE V | 1986-11-14 | C108799/0 | $173000 |
GIANNETTI, RUDOLPH V & LUCY | 1985-12-23 | C104675/0 | $165000 |
MUSTASCIO, LINDA D TR | 1982-12-01 | C90323/0 | $0 |
BAYSIDE BUILDING COMPANY INC | 1982-03-16 | C88184/0 | $70000 |
As Built Cards:Click card # to view: | Card #1 | |
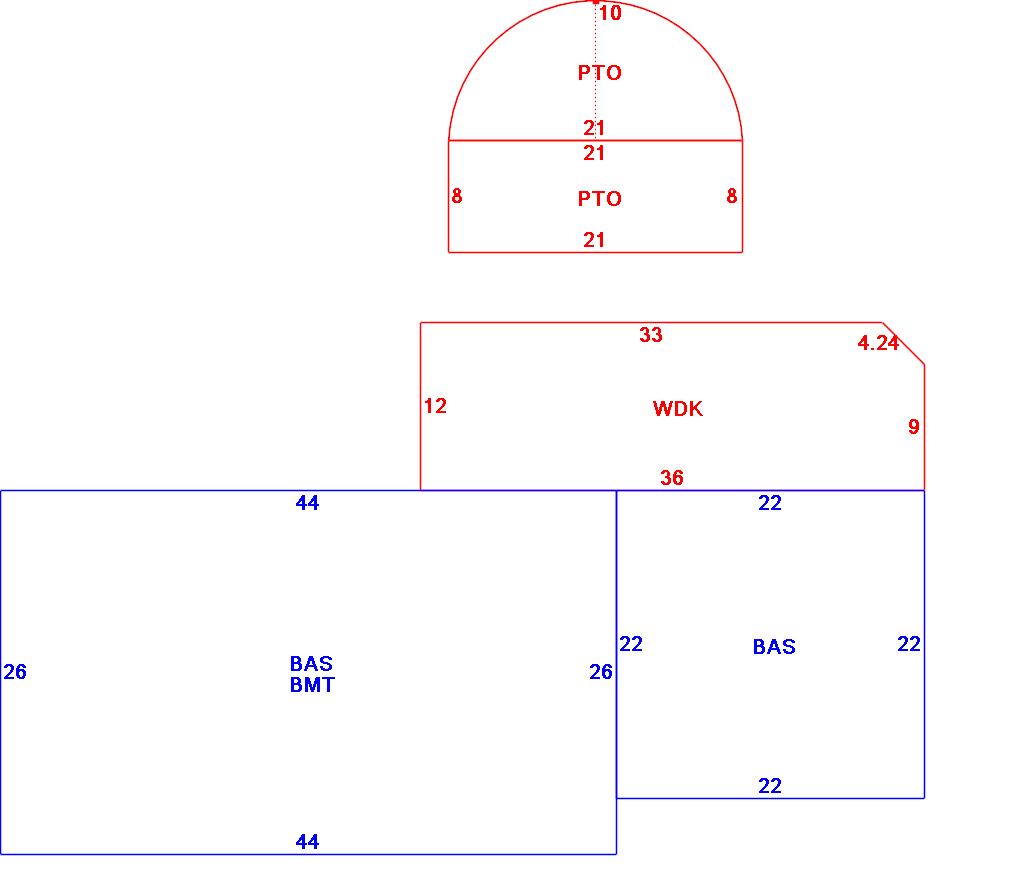
B2N | Barn-any 2nd story area | FPC | Open Porch Concrete Floor | REF | Reference Only |
BAS | First Floor, Living Area | FTS | Third Story Living Area (Finished) | SOL | Solarium |
BMT | Basement Area (Unfinished) | FUS | Second Story Living Area (Finished) | SPE | Pool Enclosure |
BRN | Barn | GAR | Garage | TQS | Three Quarters Story (Finished) |
CAN | Canopy | GAZ | Gazebo | UAT | Attic Area (Unfinished) |
CLP | Loading Platform | GRN | Greenhouse | UHS | Half Story (Unfinished) |
FAT | Attic Area (Finished) | GXT | Garage Extension Front | UST | Utility Area (Unfinished) |
FCP | Carport | KEN | Kennel | UTQ | Three Quarters Story (Unfinished) |
FEP | Enclosed Porch | MZ1 | Mezzanine, Unfinished | UUA | Unfinished Utility Attic |
FHS | Half Story (Finished) | PRG | Pergola | UUS | Full Upper 2nd Story (Unfinished) |
FOP | Open or Screened in Porch | PRT | Portico | WDK | Wood Deck |
PTO | Patio | ||||
Building |
Details |
Land |
|||
Building value | $ 387,300 | Bedrooms | 3 Bedrooms | USE CODE | 1010 |
Replacement Cost | $472,364 | Bathrooms | 2 Full-0 Half | Lot Size (Acres) | 0.67 |
Model | Residential | Total Rooms | 6 Rooms | Appraised Value | $ 168,600 |
Style | Ranch | Heat Fuel | Gas | Assessed Value | $ 168,600 |
Grade | Average | Heat Type | Hot Air | ||
Year Built | 1982 | AC Type | Central | ||
Effective depreciation | 18 | Interior Floors | Carpet | ||
Stories | 1 Story | Interior Walls | Drywall | ||
Living Area sq/ft | 1,628 | Exterior Walls | Wood Shingle | ||
Gross Area sq/ft | 3,531 | Roof Structure | Gable/Hip | ||
Roof Cover | Asph/F Gls/Cmp | ||||
Code | Description | Units/SQ ft | Appraised Value | Assessed Value |
FPL1 | Fireplace 1 story | 1 | $ 4,100 | $ 4,100 |
WDCK | Wood Decking w/railings | 428 | $ 4,700 | $ 4,700 |
BMT | Basement-Unfinished | 1144 | $ 23,800 | $ 23,800 |
PATC | Conc Pavers W/Conc | 331 | $ 4,500 | $ 4,500 |
SHED | Shed | 96 | $ 1,700 | $ 1,700 |