Appraised Value | Assessed Value | |
Building Value | $ 379,300 | $ 379,300 |
Extra Features | $ 62,300 | $ 62,300 |
Outbuildings | $ 9,100 | $ 9,100 |
Land Value | $ 152,200 | $ 152,200 |
Totals | $ 602,900 | $ 602,900 |
2025
C.O.M.M. FD Tax (Commercial) $ 0 C.O.M.M. FD Tax (Residential) $ 693.34 Community Preservation Act Tax $ 76.85 Town Tax (Commercial) $ 0 Town Tax (Residential) $ 2,561.61 Total: $ 3,331.80 |
2024
C.O.M.M. FD Tax (Commercial) $ 0 C.O.M.M. FD Tax (Residential) $ 693.68 Community Preservation Act Tax $ 119.30 Town Tax (Commercial) $ 0 Town Tax (Residential) $ 3,976.70 Total: $ 4,789.68 |
Residential Exemption Received= $233,792 |
Owner: | Sale Date | Book/Page: | Sale Price: |
LEMOINE, BRIAN & NANCY | 2024-06-14 | 36420/19 | $740000 |
MAYERS, LINDA P | 2003-04-03 | 16685/0156 | $10 |
PHILLIPS, JOAN M | 1988-04-13 | 6213/0086 | $161000 |
SMALL, ALAN E TR | 1986-02-12 | 4922/0324 | $1 |
SMALL, ALAN E & DOROTHY A TRS | 1978-10-23 | 2806/0068 | $0 |
As Built Cards:Click card # to view: | Card #1 | | Card #2 | | Card #3 | | Card #4 | |
B2N | Barn-any 2nd story area | FPC | Open Porch Concrete Floor | REF | Reference Only |
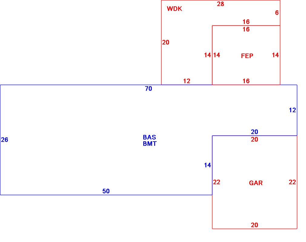
BAS | First Floor, Living Area | FTS | Third Story Living Area (Finished) | SOL | Solarium |
BMT | Basement Area (Unfinished) | FUS | Second Story Living Area (Finished) | SPE | Pool Enclosure |
BRN | Barn | GAR | Garage | TQS | Three Quarters Story (Finished) |
CAN | Canopy | GAZ | Gazebo | UAT | Attic Area (Unfinished) |
CLP | Loading Platform | GRN | Greenhouse | UHS | Half Story (Unfinished) |
FAT | Attic Area (Finished) | GXT | Garage Extension Front | UST | Utility Area (Unfinished) |
FCP | Carport | KEN | Kennel | UTQ | Three Quarters Story (Unfinished) |
FEP | Enclosed Porch | MZ1 | Mezzanine, Unfinished | UUA | Unfinished Utility Attic |
FHS | Half Story (Finished) | PRG | Pergola | UUS | Full Upper 2nd Story (Unfinished) |
FOP | Open or Screened in Porch | PRT | Portico | WDK | Wood Deck |
PTO | Patio | ||||
Building |
Details |
Land |
|||
Building value | $ 379,300 | Bedrooms | 3 Bedrooms | USE CODE | 1010 |
Replacement Cost | $451,590 | Bathrooms | 2 Full-0 Half | Lot Size (Acres) | 0.35 |
Model | Residential | Total Rooms | 7 Rooms | Appraised Value | $ 152,200 |
Style | Ranch | Heat Fuel | Gas | Assessed Value | $ 152,200 |
Grade | Average | Heat Type | Hot Water | ||
Year Built | 1988 | AC Type | Central | ||
Effective depreciation | 16 | Interior Floors | CarpetHardwood | ||
Stories | 1 Story | Interior Walls | Drywall | ||
Living Area sq/ft | 1,540 | Exterior Walls | Wood Shingle | ||
Gross Area sq/ft | 4,080 | Roof Structure | Gable/Hip | ||
Roof Cover | Asph/F Gls/Cmp | ||||
Code | Description | Units/SQ ft | Appraised Value | Assessed Value |
FPL1 | Fireplace 1 story | 1 | $ 4,200 | $ 4,200 |
FEP | Enclosed porch-roof,ceiling | 224 | $ 11,400 | $ 11,400 |
GAR | Attached Garage | 440 | $ 14,300 | $ 14,300 |
BMT | Basement-Unfinished | 1540 | $ 30,300 | $ 30,300 |
WDCV | Deck comp w vinyl railings | 336 | $ 9,100 | $ 9,100 |
FPLG | Gas Fireplace-Direct Vent | 1 | $ 2,100 | $ 2,100 |