
| Appraised Value | Assessed Value | |
| Building Value | $ 441,100 | $ 441,100 |
| Extra Features | $ 65,800 | $ 65,800 |
| Outbuildings | $ 2,400 | $ 2,400 |
| Land Value | $ 165,800 | $ 165,800 |
| Totals | $ 675,100 | $ 675,100 |
| 2025
C.O.M.M. FD Tax (Commercial) $ 0 C.O.M.M. FD Tax (Residential) $ 776.37 Community Preservation Act Tax $ 91.88 Town Tax (Commercial) $ 0 Town Tax (Residential) $ 3,062.68 Total: $ 3,930.93 |
2024
C.O.M.M. FD Tax (Commercial) $ 0 C.O.M.M. FD Tax (Residential) $ 777.90 Community Preservation Act Tax $ 91.03 Town Tax (Commercial) $ 0 Town Tax (Residential) $ 3,034.31 Total: $ 3,903.24 |
| Residential Exemption Received= $233,792 |
Residential Exemption Received= $214,313 |
| Owner: | Sale Date | Book/Page: | Sale Price: |
| WHITECROSS, KENNETH B & CAROLYN J TRS | 2024-02-02 | 36207/202 | $1 |
| WHITECROSS, KENNETH B & CAROLYN J | 2009-12-07 | 24219/0259 | $315000 |
| DRISCOLL, RITA M ESTATE OF | 2009-11-03 | 24140/0079 | $0 |
| DRISCOLL, RITA M | 2002-05-21 | 15179/0337 | $0 |
| DRISCOLL, DENNIS J & RITA M | 1981-11-06 | 3391/0315 | $0 |
AsBuilt Card N/A

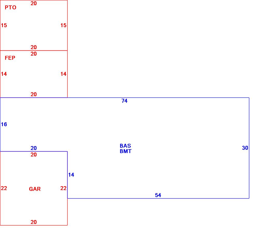
| B2N | Barn-any 2nd story area | FPC | Open Porch Concrete Floor | REF | Reference Only |
| BAS | First Floor, Living Area | FTS | Third Story Living Area (Finished) | SOL | Solarium |
| BMT | Basement Area (Unfinished) | FUS | Second Story Living Area (Finished) | SPE | Pool Enclosure |
| BRN | Barn | GAR | Garage | TQS | Three Quarters Story (Finished) |
| CAN | Canopy | GAZ | Gazebo | UAT | Attic Area (Unfinished) |
| CLP | Loading Platform | GRN | Greenhouse | UHS | Half Story (Unfinished) |
| FAT | Attic Area (Finished) | GXT | Garage Extension Front | UST | Utility Area (Unfinished) |
| FCP | Carport | KEN | Kennel | UTQ | Three Quarters Story (Unfinished) |
| FEP | Enclosed Porch | MZ1 | Mezzanine, Unfinished | UUA | Unfinished Utility Attic |
| FHS | Half Story (Finished) | PRG | Pergola | UUS | Full Upper 2nd Story (Unfinished) |
| FOP | Open or Screened in Porch | PRT | Portico | WDK | Wood Deck |
| PTO | Patio | ||||
Building |
Details |
Land |
|||
| Building value | $ 441,100 | Bedrooms | 3 Bedrooms | USE CODE | 1010 |
| Replacement Cost | $544,519 | Bathrooms | 2 Full-0 Half | Lot Size (Acres) | 0.61 |
| Model | Residential | Total Rooms | 7 Rooms | Appraised Value | $ 165,800 |
| Style | Ranch | Heat Fuel | Gas | Assessed Value | $ 165,800 |
| Grade | Average | Heat Type | Hot Water | ||
| Year Built | 1981 | AC Type | Central | ||
| Effective depreciation | 19 | Interior Floors | Hardwood | ||
| Stories | 1 Story | Interior Walls | Drywall | ||
| Living Area sq/ft | 1,940 | Exterior Walls | Wood Shingle | ||
| Gross Area sq/ft | 4,900 | Roof Structure | Gable/Hip | ||
| Roof Cover | Asph/F Gls/Cmp | ||||
| Code | Description | Units/SQ ft | Appraised Value | Assessed Value |
| FPL1 | Fireplace 1 story | 1 | $ 4,100 | $ 4,100 |
| PAT2 | Patio-Good | 300 | $ 2,400 | $ 2,400 |
| FEP | Enclosed porch-roof,ceiling | 280 | $ 12,600 | $ 12,600 |
| GAR | Attached Garage | 440 | $ 13,800 | $ 13,800 |
| BMT | Basement-Unfinished | 1940 | $ 35,300 | $ 35,300 |