Appraised Value | Assessed Value | |
Building Value | $ 639,200 | $ 639,200 |
Extra Features | $ 26,400 | $ 26,400 |
Outbuildings | $ 10,500 | $ 10,500 |
Land Value | $ 422,500 | $ 422,500 |
Totals | $ 1,098,600 | $ 1,098,600 |
2025
Community Preservation Act Tax $ 180.05 Town Tax (Commercial) $ 0 Town Tax (Residential) $ 6,001.77 W. Barnstable FD Tax (Commercial) $ 0 W. Barnstable FD Tax (Residential) $ 2,636.64 Total: $ 8,818.46 |
2024
Community Preservation Act Tax $ 169.41 Town Tax (Commercial) $ 0 Town Tax (Residential) $ 5,647.09 W. Barnstable FD Tax (Commercial) $ 0 W. Barnstable FD Tax (Residential) $ 2,052.56 Total: $ 7,869.06 |
Residential Exemption Received= $233,792 |
Residential Exemption Received= $214,313 |
Owner: | Sale Date | Book/Page: | Sale Price: |
ROGERS, HOLLY L TR | 2017-12-14 | 30963/0035 | $1 |
ROGERS, HOLLY L | 2001-09-28 | 14286/0179 | $380000 |
ELLIOTT, PAUL W & CHARLENE | 1994-10-15 | 9407/0318 | $115000 |
JORDAN, RONALD P | 1993-10-15 | 8851/0056 | $91400 |
JORDAN, DOROTHY E ET AL | 1992-07-15 | P0827E1/0 | $1 |
LOESSER, HARRIET T | 1948-09-03 | 0702/0155 | $0 |
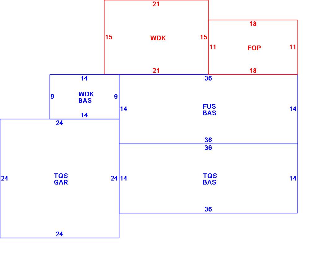
As Built Cards:Click card # to view: | Card #1 | |
This property contains multiple sketches.
B2N | Barn-any 2nd story area | FPC | Open Porch Concrete Floor | REF | Reference Only |
BAS | First Floor, Living Area | FTS | Third Story Living Area (Finished) | SOL | Solarium |
BMT | Basement Area (Unfinished) | FUS | Second Story Living Area (Finished) | SPE | Pool Enclosure |
BRN | Barn | GAR | Garage | TQS | Three Quarters Story (Finished) |
CAN | Canopy | GAZ | Gazebo | UAT | Attic Area (Unfinished) |
CLP | Loading Platform | GRN | Greenhouse | UHS | Half Story (Unfinished) |
FAT | Attic Area (Finished) | GXT | Garage Extension Front | UST | Utility Area (Unfinished) |
FCP | Carport | KEN | Kennel | UTQ | Three Quarters Story (Unfinished) |
FEP | Enclosed Porch | MZ1 | Mezzanine, Unfinished | UUA | Unfinished Utility Attic |
FHS | Half Story (Finished) | PRG | Pergola | UUS | Full Upper 2nd Story (Unfinished) |
FOP | Open or Screened in Porch | PRT | Portico | WDK | Wood Deck |
PTO | Patio | ||||
Building |
Details |
Land |
|||
Building value | $ 639,200 | Bedrooms | 3 Bedrooms | USE CODE | 1090 |
Replacement Cost | $637,168 | Bathrooms | 3 Full-0 Half | Lot Size (Acres) | 2.1 |
Model | Residential | Total Rooms | 6 Rooms | Appraised Value | $ 422,500 |
Style | Cape Cod | Heat Fuel | Gas | Assessed Value | $ 422,500 |
Grade | Average Plus | Heat Type | Hot Water | ||
Year Built | 2003 | AC Type | None | ||
Effective depreciation | 10 | Interior Floors | HardwoodCeram Clay Til | ||
Stories | 1 3/4 Stories | Interior Walls | Plastered | ||
Living Area sq/ft | 2,340 | Exterior Walls | Wood Shingle | ||
Gross Area sq/ft | 3,933 | Roof Structure | Gable/Hip | ||
Roof Cover | Asph/F Gls/Cmp | ||||
Code | Description | Units/SQ ft | Appraised Value | Assessed Value |
SHED | Shed | 192 | $ 1,500 | $ 1,500 |
WDCK | Wood Decking w/railings | 126 | $ 2,900 | $ 2,900 |
FOP | Open Porch-roof-ceiling | 198 | $ 8,000 | $ 8,000 |
GAR | Attached Garage | 576 | $ 18,400 | $ 18,400 |
WDC | Wood Deck w/o railings | 315 | $ 4,300 | $ 4,300 |
SOL1 | Solar PV Panels 12 - 24 | 13 | $ 0 | $ 0 |
WDCK | Wood Decking w/railings | 180 | $ 1,800 | $ 1,800 |