
| Appraised Value | Assessed Value | |
| Building Value | $ 195,700 | $ 195,700 |
| Extra Features | $ 3,500 | $ 3,500 |
| Outbuildings | $ 5,600 | $ 5,600 |
| Land Value | $ 603,800 | $ 603,800 |
| Totals | $ 808,600 | $ 808,600 |
| 2025
C.O.M.M. FD Tax (Commercial) $ 0 C.O.M.M. FD Tax (Residential) $ 929.89 Community Preservation Act Tax $ 168.35 Town Tax (Commercial) $ 0 Town Tax (Residential) $ 5,611.68 Total: $ 6,709.92 |
2024
C.O.M.M. FD Tax (Commercial) $ 0 C.O.M.M. FD Tax (Residential) $ 766.18 Community Preservation Act Tax $ 131.77 Town Tax (Commercial) $ 0 Town Tax (Residential) $ 4,392.33 Total: $ 5,290.28 |
| Owner: | Sale Date | Book/Page: | Sale Price: |
| SCOTT, THOMAS A & CAROL A | 1979-05-02 | C77983/0 | $0 |
AsBuilt Card N/A

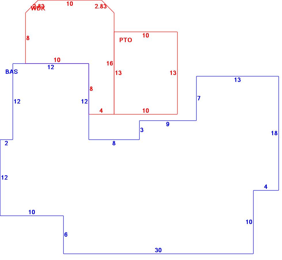
| B2N | Barn-any 2nd story area | FPC | Open Porch Concrete Floor | REF | Reference Only |
| BAS | First Floor, Living Area | FTS | Third Story Living Area (Finished) | SOL | Solarium |
| BMT | Basement Area (Unfinished) | FUS | Second Story Living Area (Finished) | SPE | Pool Enclosure |
| BRN | Barn | GAR | Garage | TQS | Three Quarters Story (Finished) |
| CAN | Canopy | GAZ | Gazebo | UAT | Attic Area (Unfinished) |
| CLP | Loading Platform | GRN | Greenhouse | UHS | Half Story (Unfinished) |
| FAT | Attic Area (Finished) | GXT | Garage Extension Front | UST | Utility Area (Unfinished) |
| FCP | Carport | KEN | Kennel | UTQ | Three Quarters Story (Unfinished) |
| FEP | Enclosed Porch | MZ1 | Mezzanine, Unfinished | UUA | Unfinished Utility Attic |
| FHS | Half Story (Finished) | PRG | Pergola | UUS | Full Upper 2nd Story (Unfinished) |
| FOP | Open or Screened in Porch | PRT | Portico | WDK | Wood Deck |
| PTO | Patio | ||||
Building |
Details |
Land |
|||
| Building value | $ 195,700 | Bedrooms | 2 Bedrooms | USE CODE | 1010 |
| Replacement Cost | $283,599 | Bathrooms | 2 Full-0 Half | Lot Size (Acres) | 0.31 |
| Model | Residential | Total Rooms | 4 Rooms | Appraised Value | $ 603,800 |
| Style | Ranch | Heat Fuel | Gas | Assessed Value | $ 603,800 |
| Grade | Average Minus | Heat Type | Hot Air | ||
| Year Built | 1935 | AC Type | None | ||
| Effective depreciation | 31 | Interior Floors | Carpet | ||
| Stories | 1 Story | Interior Walls | Drywall | ||
| Living Area sq/ft | 993 | Exterior Walls | Wood Shingle | ||
| Gross Area sq/ft | 1,291 | Roof Structure | Gable/Hip | ||
| Roof Cover | Asph/F Gls/Cmp | ||||
| Code | Description | Units/SQ ft | Appraised Value | Assessed Value |
| FPL1 | Fireplace 1 story | 1 | $ 3,500 | $ 3,500 |
| PAT2 | Patio-Good | 130 | $ 1,500 | $ 1,500 |
| WDCK | Wood Decking w/railings | 168 | $ 4,100 | $ 4,100 |