
| Appraised Value | Assessed Value | |
| Building Value | $ 562,300 | $ 562,300 |
| Extra Features | $ 113,500 | $ 113,500 |
| Outbuildings | $ 18,600 | $ 18,600 |
| Land Value | $ 391,600 | $ 391,600 |
| Totals | $ 1,086,000 | $ 1,086,000 |
| 2025
C.O.M.M. FD Tax (Commercial) $ 0 C.O.M.M. FD Tax (Residential) $ 1,248.90 Community Preservation Act Tax $ 226.11 Town Tax (Commercial) $ 0 Town Tax (Residential) $ 7,536.84 Total: $ 9,011.85 |
2024
C.O.M.M. FD Tax (Commercial) $ 0 C.O.M.M. FD Tax (Residential) $ 1,156.06 Community Preservation Act Tax $ 198.82 Town Tax (Commercial) $ 0 Town Tax (Residential) $ 6,627.39 Total: $ 7,982.27 |
| Owner: | Sale Date | Book/Page: | Sale Price: |
| DENOMME, MARK S & JOY F | 2021-06-01 | C226456/0 | $1125000 |
| MCATEER, KEITH WILLIAM TR | 2016-11-21 | #D1308943/0 | $0 |
| DEYESSO, GEORGE & MARGARET | 2016-11-21 | C211375/0 | $569000 |
| MCATEER, JOANNE STARKEY TR | 1999-02-26 | C152142/0 | $365000 |
| MAHER, JOHN W & LENICE G | 1984-06-15 | C96823/0 | $50000 |
| SILVIA, & SILVIA ASSOCS | 1983-02-15 | C91889/0 | $0 |
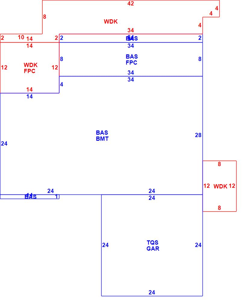
| As Built Cards:Click card # to view: | Card #1 | | Card #2 | |

| B2N | Barn-any 2nd story area | FPC | Open Porch Concrete Floor | REF | Reference Only |
| BAS | First Floor, Living Area | FTS | Third Story Living Area (Finished) | SOL | Solarium |
| BMT | Basement Area (Unfinished) | FUS | Second Story Living Area (Finished) | SPE | Pool Enclosure |
| BRN | Barn | GAR | Garage | TQS | Three Quarters Story (Finished) |
| CAN | Canopy | GAZ | Gazebo | UAT | Attic Area (Unfinished) |
| CLP | Loading Platform | GRN | Greenhouse | UHS | Half Story (Unfinished) |
| FAT | Attic Area (Finished) | GXT | Garage Extension Front | UST | Utility Area (Unfinished) |
| FCP | Carport | KEN | Kennel | UTQ | Three Quarters Story (Unfinished) |
| FEP | Enclosed Porch | MZ1 | Mezzanine, Unfinished | UUA | Unfinished Utility Attic |
| FHS | Half Story (Finished) | PRG | Pergola | UUS | Full Upper 2nd Story (Unfinished) |
| FOP | Open or Screened in Porch | PRT | Portico | WDK | Wood Deck |
| PTO | Patio | ||||
Building |
Details |
Land |
|||
| Building value | $ 562,300 | Bedrooms | 2 Bedrooms | USE CODE | 1010 |
| Replacement Cost | $617,934 | Bathrooms | 2 Full-1 Half | Lot Size (Acres) | 1.2 |
| Model | Residential | Total Rooms | 7 Rooms | Appraised Value | $ 391,600 |
| Style | Ranch | Heat Fuel | Gas | Assessed Value | $ 391,600 |
| Grade | Average Plus | Heat Type | Hot Water | ||
| Year Built | 1985 | AC Type | Central | ||
| Effective depreciation | 9 | Interior Floors | CarpetPine/Soft Wood | ||
| Stories | 1 Story | Interior Walls | Drywall | ||
| Living Area sq/ft | 2,016 | Exterior Walls | Wood Shingle | ||
| Gross Area sq/ft | 5,134 | Roof Structure | Gable/Hip | ||
| Roof Cover | Asph/F Gls/Cmp | ||||
| Code | Description | Units/SQ ft | Appraised Value | Assessed Value |
| FPL1 | Fireplace 1 story | 1 | $ 4,600 | $ 4,600 |
| FPO | Ext FP Opening | 1 | $ 1,800 | $ 1,800 |
| BFA2 | Bsmt Fin-VG-Partitioned | 904 | $ 44,800 | $ 44,800 |
| WDCV | Deck comp w vinyl railings | 612 | $ 13,300 | $ 13,300 |
| GAR | Attached Garage | 576 | $ 18,600 | $ 18,600 |
| BMT | Basement-Unfinished | 1288 | $ 28,800 | $ 28,800 |
| GEN | Emergency Generator | 1 | $ 5,300 | $ 5,300 |
| FOPC | Open Prch-roof, ceiling | 440 | $ 14,900 | $ 14,900 |