
| Appraised Value | Assessed Value | |
| Building Value | $ 290,100 | $ 290,100 |
| Extra Features | $ 29,100 | $ 29,100 |
| Outbuildings | $ 14,200 | $ 14,200 |
| Land Value | $ 154,200 | $ 154,200 |
| Totals | $ 487,600 | $ 487,600 |
| 2025
Barnstable FD Tax (Commercial) $ 0 Barnstable FD Tax (Residential) $ 1,121.48 Community Preservation Act Tax $ 101.52 Town Tax (Commercial) $ 0 Town Tax (Residential) $ 3,383.94 Total: $ 4,606.94 |
2024
Barnstable FD Tax (Commercial) $ 0 Barnstable FD Tax (Residential) $ 1,014.70 Community Preservation Act Tax $ 95.94 Town Tax (Commercial) $ 0 Town Tax (Residential) $ 3,197.99 Total: $ 4,308.63 |
| Owner: | Sale Date | Book/Page: | Sale Price: |
| HOAGLAND, ANNETTA L | 2016-03-28 | 29538/0177 | $275000 |
| FRAZEE, JOHN P | 2012-08-20 | 26600/0168 | $206000 |
| FLEMING, FRANCES ESTATE OF | 2012-08-20 | 26600/0164 | $0 |
| FLEMING, FRANCES | 2004-10-22 | 9160/0188 | $0 |
| FLEMING, DAVID I & FRANCES | 1984-01-27 | 3999/0221 | $63950 |
| OLIVER, MARIAN E | 1975-08-26 | 2227/0204 | $0 |
| As Built Cards:Click card # to view: | Card #1 | | Card #2 | | Card #3 | |

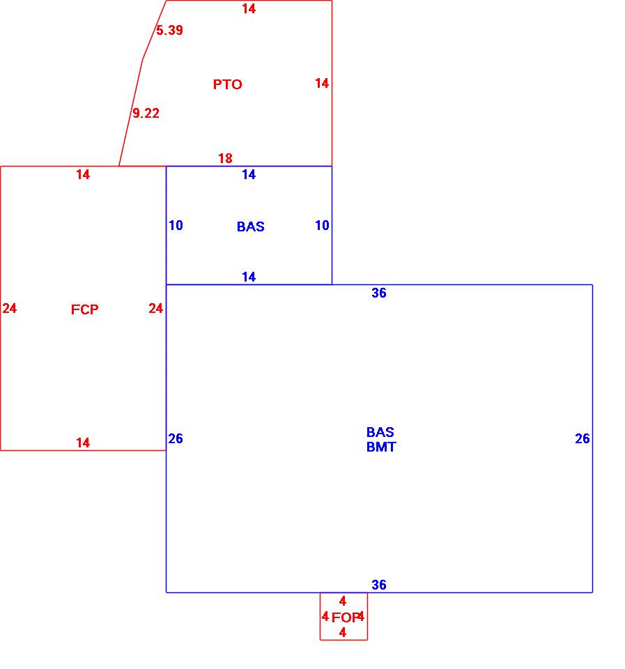
| B2N | Barn-any 2nd story area | FPC | Open Porch Concrete Floor | REF | Reference Only |
| BAS | First Floor, Living Area | FTS | Third Story Living Area (Finished) | SOL | Solarium |
| BMT | Basement Area (Unfinished) | FUS | Second Story Living Area (Finished) | SPE | Pool Enclosure |
| BRN | Barn | GAR | Garage | TQS | Three Quarters Story (Finished) |
| CAN | Canopy | GAZ | Gazebo | UAT | Attic Area (Unfinished) |
| CLP | Loading Platform | GRN | Greenhouse | UHS | Half Story (Unfinished) |
| FAT | Attic Area (Finished) | GXT | Garage Extension Front | UST | Utility Area (Unfinished) |
| FCP | Carport | KEN | Kennel | UTQ | Three Quarters Story (Unfinished) |
| FEP | Enclosed Porch | MZ1 | Mezzanine, Unfinished | UUA | Unfinished Utility Attic |
| FHS | Half Story (Finished) | PRG | Pergola | UUS | Full Upper 2nd Story (Unfinished) |
| FOP | Open or Screened in Porch | PRT | Portico | WDK | Wood Deck |
| PTO | Patio | ||||
Building |
Details |
Land |
|||
| Building value | $ 290,100 | Bedrooms | 2 Bedrooms | USE CODE | 1010 |
| Replacement Cost | $318,830 | Bathrooms | 1 Full-0 Half | Lot Size (Acres) | 0.41 |
| Model | Residential | Total Rooms | 4 Rooms | Appraised Value | $ 154,200 |
| Style | Ranch | Heat Fuel | Gas | Assessed Value | $ 154,200 |
| Grade | Average | Heat Type | Hot Water | ||
| Year Built | 1964 | AC Type | None | ||
| Effective depreciation | 9 | Interior Floors | Hardwood | ||
| Stories | 1 Story | Interior Walls | Drywall | ||
| Living Area sq/ft | 1,076 | Exterior Walls | Wood Shingle | ||
| Gross Area sq/ft | 2,592 | Roof Structure | Gable/Hip | ||
| Roof Cover | Asph/F Gls/Cmp | ||||
| Code | Description | Units/SQ ft | Appraised Value | Assessed Value |
| FPL1 | Fireplace 1 story | 1 | $ 4,600 | $ 4,600 |
| FCPG | Carport-Gable Roof-Avg | 336 | $ 5,200 | $ 5,200 |
| BMT | Basement-Unfinished | 936 | $ 23,100 | $ 23,100 |
| PAT2 | Patio-Good | 228 | $ 1,800 | $ 1,800 |
| SHD2 | Shed w/Elec | 192 | $ 4,300 | $ 4,300 |
| GEN | Emergency Generator | 1 | $ 2,900 | $ 2,900 |
| FOP | Open Porch-roof-ceiling | 16 | $ 1,400 | $ 1,400 |
| SOL1 | Solar PV Panels 12 - 24 | 10 | $ 0 | $ 0 |