
| Appraised Value | Assessed Value | |
| Building Value | $ 351,600 | $ 351,600 |
| Extra Features | $ 33,200 | $ 33,200 |
| Outbuildings | $ 7,200 | $ 7,200 |
| Land Value | $ 146,700 | $ 146,700 |
| Totals | $ 538,700 | $ 538,700 |
| 2025
C.O.M.M. FD Tax (Commercial) $ 0 C.O.M.M. FD Tax (Residential) $ 619.51 Community Preservation Act Tax $ 63.48 Town Tax (Commercial) $ 0 Town Tax (Residential) $ 2,116.06 Total: $ 2,799.05 |
2024
C.O.M.M. FD Tax (Commercial) $ 0 C.O.M.M. FD Tax (Residential) $ 620.37 Community Preservation Act Tax $ 63.94 Town Tax (Commercial) $ 0 Town Tax (Residential) $ 2,131.24 Total: $ 2,815.55 |
| Residential Exemption Received= $233,792 |
Residential Exemption Received= $214,313 |
| Owner: | Sale Date | Book/Page: | Sale Price: |
| ABREU, WELIN J | 2016-07-25 | 29817/0262 | $285000 |
| MOURA PROPERTY ACQUISITION LLC | 2015-10-01 | 29176/0181 | $145000 |
| GIANNETTI, LUCY A & NANCY | 2015-03-09 | 28727/0074 | $0 |
| GIANNETTI, RUDOLPH V & LUCY A & NANCY | 2002-06-28 | 15315/0319 | $100 |
| GIANNETTI, RUDOLPH V & LUCY | 1996-07-15 | 10291/0091 | $112000 |
| SLOAN, JOSEPH J JR& TERESA | 1982-06-15 | 3507/0141 | $49900 |
| As Built Cards:Click card # to view: | Card #1 | | Card #2 | |

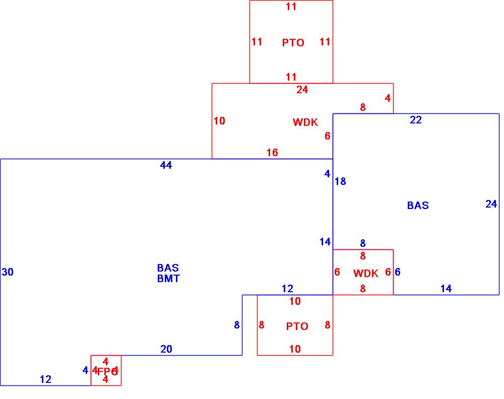
| B2N | Barn-any 2nd story area | FPC | Open Porch Concrete Floor | REF | Reference Only |
| BAS | First Floor, Living Area | FTS | Third Story Living Area (Finished) | SOL | Solarium |
| BMT | Basement Area (Unfinished) | FUS | Second Story Living Area (Finished) | SPE | Pool Enclosure |
| BRN | Barn | GAR | Garage | TQS | Three Quarters Story (Finished) |
| CAN | Canopy | GAZ | Gazebo | UAT | Attic Area (Unfinished) |
| CLP | Loading Platform | GRN | Greenhouse | UHS | Half Story (Unfinished) |
| FAT | Attic Area (Finished) | GXT | Garage Extension Front | UST | Utility Area (Unfinished) |
| FCP | Carport | KEN | Kennel | UTQ | Three Quarters Story (Unfinished) |
| FEP | Enclosed Porch | MZ1 | Mezzanine, Unfinished | UUA | Unfinished Utility Attic |
| FHS | Half Story (Finished) | PRG | Pergola | UUS | Full Upper 2nd Story (Unfinished) |
| FOP | Open or Screened in Porch | PRT | Portico | WDK | Wood Deck |
| PTO | Patio | ||||
Building |
Details |
Land |
|||
| Building value | $ 351,600 | Bedrooms | 3 Bedrooms | USE CODE | 1010 |
| Replacement Cost | $434,046 | Bathrooms | 2 Full-0 Half | Lot Size (Acres) | 0.23 |
| Model | Residential | Total Rooms | 6 | Appraised Value | $ 146,700 |
| Style | Ranch | Heat Fuel | Oil | Assessed Value | $ 146,700 |
| Grade | Average | Heat Type | Hot Water | ||
| Year Built | 1961 | AC Type | None | ||
| Effective depreciation | 19 | Interior Floors | Hardwood | ||
| Stories | 1 Story | Interior Walls | Drywall | ||
| Living Area sq/ft | 1,576 | Exterior Walls | Wood Shingle | ||
| Gross Area sq/ft | 3,129 | Roof Structure | Gable/Hip | ||
| Roof Cover | Asph/F Gls/Cmp | ||||
| Code | Description | Units/SQ ft | Appraised Value | Assessed Value |
| FPL1 | Fireplace 1 story | 1 | $ 4,100 | $ 4,100 |
| BRR | Bsmt Rec Rm-Average | 800 | $ 5,200 | $ 5,200 |
| WDCK | Wood Decking w/railings | 48 | $ 1,600 | $ 1,600 |
| FOPC | Open Prch-roof, ceiling | 16 | $ 1,000 | $ 1,000 |
| BMT | Basement-Unfinished | 1096 | $ 22,900 | $ 22,900 |
| PAT2 | Patio-Good | 201 | $ 1,800 | $ 1,800 |
| WDC | Wood Deck w/o railings | 192 | $ 3,800 | $ 3,800 |