
| Appraised Value | Assessed Value | |
| Building Value | $ 653,300 | $ 653,300 | 
| Extra Features | $ 57,900 | $ 57,900 | 
| Outbuildings | $ 9,800 | $ 9,800 | 
| Land Value | $ 214,500 | $ 214,500 | 
| Totals | $ 935,500 | $ 935,500 | 
| 2025 C.O.M.M. FD Tax (Commercial) $ 0 C.O.M.M. FD Tax (Residential) $ 1,075.83 Community Preservation Act Tax $ 194.77 Town Tax (Commercial) $ 0 Town Tax (Residential) $ 6,492.37 Total: $ 7,762.97 | 2024 C.O.M.M. FD Tax (Commercial) $ 0 C.O.M.M. FD Tax (Residential) $ 897.14 Community Preservation Act Tax $ 154.29 Town Tax (Commercial) $ 0 Town Tax (Residential) $ 5,143.11 Total: $ 6,194.54 | 
| Owner: | Sale Date | Book/Page: | Sale Price: | 
| GAGGL, PAUL & SCHULKIND, LISA R AND | 2017-11-03 | C214590/0 | $575000 | 
| NAGEL, IRA A | 2004-07-02 | C173603/0 | $515000 | 
| PORTER, STEVEN W TR | 2002-02-15 | #861442/0 | $345000 | 
| MYERS, STUART F & HENITA S | 1970-03-02 | C47983/0 | $0 | 
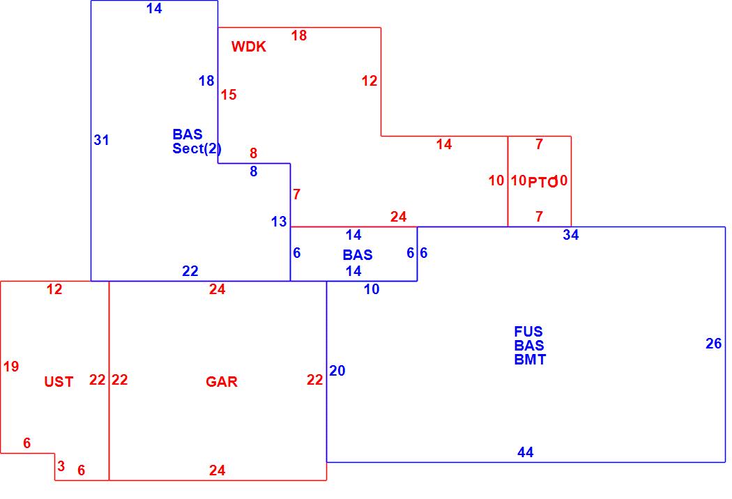
| As Built Cards:Click card # to view: | Card #1 | | 

| B2N | Barn-any 2nd story area | FPC | Open Porch Concrete Floor | REF | Reference Only | 
| BAS | First Floor, Living Area | FTS | Third Story Living Area (Finished) | SOL | Solarium | 
| BMT | Basement Area (Unfinished) | FUS | Second Story Living Area (Finished) | SPE | Pool Enclosure | 
| BRN | Barn | GAR | Garage | TQS | Three Quarters Story (Finished) | 
| CAN | Canopy | GAZ | Gazebo | UAT | Attic Area (Unfinished) | 
| CLP | Loading Platform | GRN | Greenhouse | UHS | Half Story (Unfinished) | 
| FAT | Attic Area (Finished) | GXT | Garage Extension Front | UST | Utility Area (Unfinished) | 
| FCP | Carport | KEN | Kennel | UTQ | Three Quarters Story (Unfinished) | 
| FEP | Enclosed Porch | MZ1 | Mezzanine, Unfinished | UUA | Unfinished Utility Attic | 
| FHS | Half Story (Finished) | PRG | Pergola | UUS | Full Upper 2nd Story (Unfinished) | 
| FOP | Open or Screened in Porch | PRT | Portico | WDK | Wood Deck | 
| PTO | Patio | ||||
| Building | Details | Land | |||
| Building value | $ 653,300 | Bedrooms | 4 Bedrooms | USE CODE | 1010 | 
| Replacement Cost | $771,577 | Bathrooms | 2 Full-1 Half | Lot Size (Acres) | 0.38 | 
| Model | Residential | Total Rooms | 8 Rooms | Appraised Value | $ 214,500 | 
| Style | Gambrel | Heat Fuel | Gas | Assessed Value | $ 214,500 | 
| Grade | Average Plus | Heat Type | Hot Water | ||
| Year Built | 1970 | AC Type | Central | ||
| Effective depreciation | 19 | Interior Floors | CarpetHardwood | ||
| Stories | 2 Stories | Interior Walls | Drywall | ||
| Living Area sq/ft | 2,790 | Exterior Walls | Wood Shingle | ||
| Gross Area sq/ft | 5,198 | Roof Structure | Gambrel | ||
| Roof Cover | Asph/F Gls/Cmp | ||||
| Code | Description | Units/SQ ft | Appraised Value | Assessed Value | 
| BFA | Bsmt Fin-Avg | 832 | $ 11,700 | $ 11,700 | 
| FPL3 | Fireplace 2 story | 1 | $ 5,700 | $ 5,700 | 
| WDCK | Wood Decking w/railings | 480 | $ 8,900 | $ 8,900 | 
| GAR | Attached Garage | 528 | $ 15,600 | $ 15,600 | 
| BMT | Basement-Unfinished | 1084 | $ 22,700 | $ 22,700 | 
| UST | Utility Storage-attached | 246 | $ 2,200 | $ 2,200 | 
| PAT2 | Patio-Good | 70 | $ 900 | $ 900 |