
| Appraised Value | Assessed Value | |
| Building Value | $ 383,400 | $ 383,400 |
| Extra Features | $ 37,400 | $ 37,400 |
| Outbuildings | $ 3,200 | $ 3,200 |
| Land Value | $ 151,300 | $ 151,300 |
| Totals | $ 575,300 | $ 575,300 |
| 2025
Community Preservation Act Tax $ 71.10 Hyannis FD Tax (Commercial) $ 0 Hyannis FD Tax (Residential) $ 1,340.45 Town Tax (Commercial) $ 0 Town Tax (Residential) $ 2,370.07 Total: $ 3,781.62 |
2024
Community Preservation Act Tax $ 67.45 Hyannis FD Tax (Commercial) $ 0 Hyannis FD Tax (Residential) $ 1,325.76 Town Tax (Commercial) $ 0 Town Tax (Residential) $ 2,248.28 Total: $ 3,641.49 |
| Residential Exemption Received= $233,792 |
Residential Exemption Received= $214,313 |
| Owner: | Sale Date | Book/Page: | Sale Price: |
| LUCIER, VAN | 1992-05-29 | 8042/0140 | $140000 |
| LANTZ, ALBERT P | 1990-12-17 | 7387/0026 | $100 |
| LANTZ, ALBERT P & ROSE M | 1990-09-21 | 7299/0263 | $170500 |
| MORIN, JACQUES N & MARTHA | 1990-08-08 | 7254/0149 | $1 |
| MORIN, JACQUES N TR | 1989-07-19 | 6812/0168 | $1 |
| MORIN, JACQUES N | 1984-11-20 | 4324/0070 | $49400 |
AsBuilt Card N/A

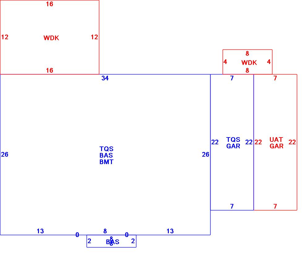
| B2N | Barn-any 2nd story area | FPC | Open Porch Concrete Floor | REF | Reference Only |
| BAS | First Floor, Living Area | FTS | Third Story Living Area (Finished) | SOL | Solarium |
| BMT | Basement Area (Unfinished) | FUS | Second Story Living Area (Finished) | SPE | Pool Enclosure |
| BRN | Barn | GAR | Garage | TQS | Three Quarters Story (Finished) |
| CAN | Canopy | GAZ | Gazebo | UAT | Attic Area (Unfinished) |
| CLP | Loading Platform | GRN | Greenhouse | UHS | Half Story (Unfinished) |
| FAT | Attic Area (Finished) | GXT | Garage Extension Front | UST | Utility Area (Unfinished) |
| FCP | Carport | KEN | Kennel | UTQ | Three Quarters Story (Unfinished) |
| FEP | Enclosed Porch | MZ1 | Mezzanine, Unfinished | UUA | Unfinished Utility Attic |
| FHS | Half Story (Finished) | PRG | Pergola | UUS | Full Upper 2nd Story (Unfinished) |
| FOP | Open or Screened in Porch | PRT | Portico | WDK | Wood Deck |
| PTO | Patio | ||||
Building |
Details |
Land |
|||
| Building value | $ 383,400 | Bedrooms | 3 Bedrooms | USE CODE | 1010 |
| Replacement Cost | $451,019 | Bathrooms | 2 Full-1 Half | Lot Size (Acres) | 0.32 |
| Model | Residential | Total Rooms | 7 Rooms | Appraised Value | $ 151,300 |
| Style | Cape Cod | Heat Fuel | Gas | Assessed Value | $ 151,300 |
| Grade | Average | Heat Type | Hot Air | ||
| Year Built | 1990 | AC Type | Central | ||
| Effective depreciation | 15 | Interior Floors | CarpetHardwood | ||
| Stories | 1 3/4 Stories | Interior Walls | Drywall | ||
| Living Area sq/ft | 1,575 | Exterior Walls | Wood Shingle | ||
| Gross Area sq/ft | 3,508 | Roof Structure | Gable/Hip | ||
| Roof Cover | Asph/F Gls/Cmp | ||||
| Code | Description | Units/SQ ft | Appraised Value | Assessed Value |
| FPL2 | Fireplace 1.5 stories | 1 | $ 5,100 | $ 5,100 |
| WDCK | Wood Decking w/railings | 224 | $ 3,200 | $ 3,200 |
| GAR | Attached Garage | 308 | $ 11,600 | $ 11,600 |
| BMT | Basement-Unfinished | 884 | $ 20,700 | $ 20,700 |