
| Appraised Value | Assessed Value | |
| Building Value | $ 333,200 | $ 333,200 |
| Extra Features | $ 24,500 | $ 24,500 |
| Outbuildings | $ 3,000 | $ 3,000 |
| Land Value | $ 129,900 | $ 129,900 |
| Totals | $ 490,600 | $ 490,600 |
| 2025
Community Preservation Act Tax $ 53.47 Hyannis FD Tax (Commercial) $ 0 Hyannis FD Tax (Residential) $ 1,143.10 Town Tax (Commercial) $ 0 Town Tax (Residential) $ 1,782.25 Total: $ 2,978.82 |
2024
Community Preservation Act Tax $ 51.17 Hyannis FD Tax (Commercial) $ 0 Hyannis FD Tax (Residential) $ 1,129.92 Town Tax (Commercial) $ 0 Town Tax (Residential) $ 1,705.64 Total: $ 2,886.73 |
| Residential Exemption Received= $233,792 |
Residential Exemption Received= $214,313 |
| Owner: | Sale Date | Book/Page: | Sale Price: |
| LEON, LUIS A | 2024-09-23 | 36581/163 | $650000 |
| MILAGRE, LEANDRO & POLIANA | 2009-04-06 | 23588/0195 | $172000 |
| BANK OF NY TR | 2008-01-30 | 22637/0236 | $247500 |
| MAIA, FERNANDO & RAMOS, ALDO DAGUIA | 2006-12-04 | 21578/0268 | $100 |
| MAIA, FERNANDO ET AL | 2005-03-14 | 19611/0039 | $1 |
| MAIA, FERNANDO | 2005-03-14 | 19611/0018 | $317000 |
| ABREU, MARCO & LUCIANA | 2001-06-29 | 13995/0002 | $177000 |
| GUSCIORA, TIMOTHY D & ERIN M | 1998-06-15 | 11499/0054 | $1 |
| GUSCIORA, TIMOTHY | 1996-10-28 | 10456/0262 | $98000 |
| FASANO, DAVID M | 1996-04-11 | 10146/0171 | $55000 |
| CURRIE, JAMES L III ESTATE OF | 1990-05-22 | 7167/0310 | $1 |
| CURRIE, JAMES L III | 1979-11-21 | 3018/0123 | $0 |
| As Built Cards:Click card # to view: | Card #1 | | Card #2 | |

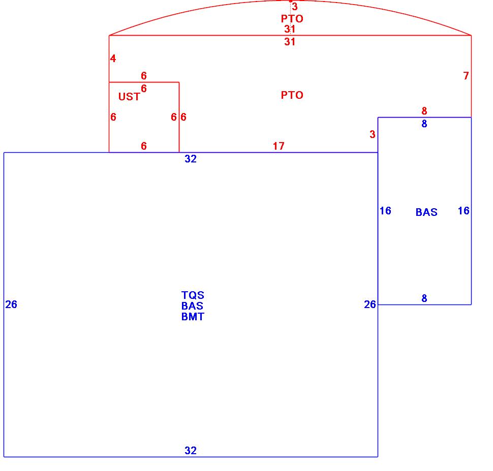
| B2N | Barn-any 2nd story area | FPC | Open Porch Concrete Floor | REF | Reference Only |
| BAS | First Floor, Living Area | FTS | Third Story Living Area (Finished) | SOL | Solarium |
| BMT | Basement Area (Unfinished) | FUS | Second Story Living Area (Finished) | SPE | Pool Enclosure |
| BRN | Barn | GAR | Garage | TQS | Three Quarters Story (Finished) |
| CAN | Canopy | GAZ | Gazebo | UAT | Attic Area (Unfinished) |
| CLP | Loading Platform | GRN | Greenhouse | UHS | Half Story (Unfinished) |
| FAT | Attic Area (Finished) | GXT | Garage Extension Front | UST | Utility Area (Unfinished) |
| FCP | Carport | KEN | Kennel | UTQ | Three Quarters Story (Unfinished) |
| FEP | Enclosed Porch | MZ1 | Mezzanine, Unfinished | UUA | Unfinished Utility Attic |
| FHS | Half Story (Finished) | PRG | Pergola | UUS | Full Upper 2nd Story (Unfinished) |
| FOP | Open or Screened in Porch | PRT | Portico | WDK | Wood Deck |
| PTO | Patio | ||||
Building |
Details |
Land |
|||
| Building value | $ 333,200 | Bedrooms | 4 Bedrooms | USE CODE | 1010 |
| Replacement Cost | $406,366 | Bathrooms | 2 Full-0 Half | Lot Size (Acres) | 0.21 |
| Model | Residential | Total Rooms | 6 Rooms | Appraised Value | $ 129,900 |
| Style | Cape Cod | Heat Fuel | Gas | Assessed Value | $ 129,900 |
| Grade | Average | Heat Type | Hot Water | ||
| Year Built | 1972 | AC Type | None | ||
| Effective depreciation | 18 | Interior Floors | Ceram Clay TilLaminate | ||
| Stories | 1 3/4 Stories | Interior Walls | Drywall | ||
| Living Area sq/ft | 1,501 | Exterior Walls | Wood Shingle | ||
| Gross Area sq/ft | 2,972 | Roof Structure | Gable/Hip | ||
| Roof Cover | Asph/F Gls/Cmp | ||||
| Code | Description | Units/SQ ft | Appraised Value | Assessed Value |
| FPL2 | Fireplace 1.5 stories | 1 | $ 4,900 | $ 4,900 |
| BMT | Basement-Unfinished | 832 | $ 19,100 | $ 19,100 |
| PAT2 | Patio-Good | 312 | $ 3,000 | $ 3,000 |
| UST | Utility Storage-attached | 36 | $ 500 | $ 500 |