
| Appraised Value | Assessed Value | |
| Building Value | $ 270,200 | $ 270,200 |
| Extra Features | $ 20,300 | $ 20,300 |
| Outbuildings | $ 31,500 | $ 31,500 |
| Land Value | $ 582,000 | $ 582,000 |
| Totals | $ 904,000 | $ 904,000 |
| 2025
Barnstable FD Tax (Commercial) $ 0 Barnstable FD Tax (Residential) $ 2,079.20 Community Preservation Act Tax $ 188.21 Town Tax (Commercial) $ 0 Town Tax (Residential) $ 6,273.76 Total: $ 8,541.17 |
2024
Barnstable FD Tax (Commercial) $ 0 Barnstable FD Tax (Residential) $ 2,364.04 Community Preservation Act Tax $ 223.52 Town Tax (Commercial) $ 0 Town Tax (Residential) $ 7,450.66 Total: $ 10,038.22 |
| Owner: | Sale Date | Book/Page: | Sale Price: |
| MOREAU, MARCEL & BARRI LYNN | 2019-05-17 | C219422/0 | $536500 |
| CAHOON, JUDITH A | 1998-05-04 | C148387/0 | $0 |
| RIELLY, JOHN J & DOROTHY M | 1957-10-21 | C21148/0 | $0 |
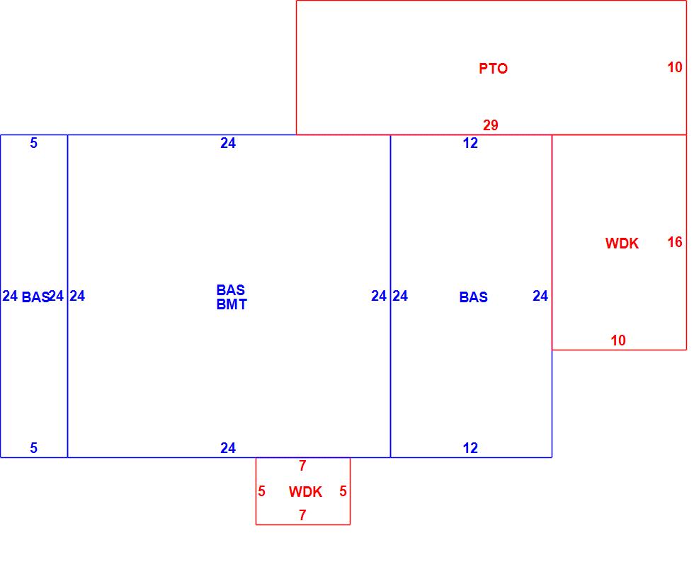
AsBuilt Card N/A

| B2N | Barn-any 2nd story area | FPC | Open Porch Concrete Floor | REF | Reference Only |
| BAS | First Floor, Living Area | FTS | Third Story Living Area (Finished) | SOL | Solarium |
| BMT | Basement Area (Unfinished) | FUS | Second Story Living Area (Finished) | SPE | Pool Enclosure |
| BRN | Barn | GAR | Garage | TQS | Three Quarters Story (Finished) |
| CAN | Canopy | GAZ | Gazebo | UAT | Attic Area (Unfinished) |
| CLP | Loading Platform | GRN | Greenhouse | UHS | Half Story (Unfinished) |
| FAT | Attic Area (Finished) | GXT | Garage Extension Front | UST | Utility Area (Unfinished) |
| FCP | Carport | KEN | Kennel | UTQ | Three Quarters Story (Unfinished) |
| FEP | Enclosed Porch | MZ1 | Mezzanine, Unfinished | UUA | Unfinished Utility Attic |
| FHS | Half Story (Finished) | PRG | Pergola | UUS | Full Upper 2nd Story (Unfinished) |
| FOP | Open or Screened in Porch | PRT | Portico | WDK | Wood Deck |
| PTO | Patio | ||||
Building |
Details |
Land |
|||
| Building value | $ 270,200 | Bedrooms | 2 Bedrooms | USE CODE | 1010 |
| Replacement Cost | $314,181 | Bathrooms | 1 Full-0 Half | Lot Size (Acres) | 0.22 |
| Model | Residential | Total Rooms | 5 | Appraised Value | $ 582,000 |
| Style | Ranch | Heat Fuel | Electric | Assessed Value | $ 582,000 |
| Grade | Average | Heat Type | Hot Air | ||
| Year Built | 1972 | AC Type | Central | ||
| Effective depreciation | 14 | Interior Floors | Hardwood | ||
| Stories | 1 Story | Interior Walls | Drywall | ||
| Living Area sq/ft | 984 | Exterior Walls | Wood Shingle | ||
| Gross Area sq/ft | 2,045 | Roof Structure | Gable/Hip | ||
| Roof Cover | Asph/F Gls/Cmp | ||||
| Code | Description | Units/SQ ft | Appraised Value | Assessed Value |
| FPL1 | Fireplace 1 story | 1 | $ 4,300 | $ 4,300 |
| BMT | Basement-Unfinished | 576 | $ 16,000 | $ 16,000 |
| WDCC | Deck composite no railings | 35 | $ 2,800 | $ 2,800 |
| SOL1 | Solar PV Panels 12 - 24 | 21 | $ 0 | $ 0 |
| FGR3 | Garage-Good-Wd Shingle | 308 | $ 15,200 | $ 15,200 |
| WDCC | Deck composite no railings | 160 | $ 4,900 | $ 4,900 |
| PATF | Flagstone Pavers on conc | 290 | $ 8,600 | $ 8,600 |