
| Appraised Value | Assessed Value | |
| Building Value | $ 190,600 | $ 190,600 |
| Extra Features | $ 9,200 | $ 9,200 |
| Outbuildings | $ 18,000 | $ 18,000 |
| Land Value | $ 586,600 | $ 586,600 |
| Totals | $ 804,400 | $ 804,400 |
| 2025
Barnstable FD Tax (Commercial) $ 0 Barnstable FD Tax (Residential) $ 1,850.12 Community Preservation Act Tax $ 167.48 Town Tax (Commercial) $ 0 Town Tax (Residential) $ 5,582.54 Total: $ 7,600.14 |
2024
Barnstable FD Tax (Commercial) $ 0 Barnstable FD Tax (Residential) $ 2,134.05 Community Preservation Act Tax $ 201.77 Town Tax (Commercial) $ 0 Town Tax (Residential) $ 6,725.81 Total: $ 9,061.63 |
| Owner: | Sale Date | Book/Page: | Sale Price: |
| RADZISZEWSKI, MARK & LAURIE | 2016-06-22 | 29744/0036 | $505000 |
| RADZISZEWSKI, MARK TR | 2009-02-06 | 23425/0277 | $10 |
| RADZISZEWSKI, JOHN | 2008-03-25 | 22778/0297 | $0 |
| RADZISZEWSKI, JOHN & BARBARA | 1963-05-02 | 1199/0428 | $0 |
AsBuilt Card N/A

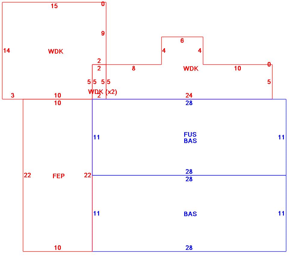
| B2N | Barn-any 2nd story area | FPC | Open Porch Concrete Floor | REF | Reference Only |
| BAS | First Floor, Living Area | FTS | Third Story Living Area (Finished) | SOL | Solarium |
| BMT | Basement Area (Unfinished) | FUS | Second Story Living Area (Finished) | SPE | Pool Enclosure |
| BRN | Barn | GAR | Garage | TQS | Three Quarters Story (Finished) |
| CAN | Canopy | GAZ | Gazebo | UAT | Attic Area (Unfinished) |
| CLP | Loading Platform | GRN | Greenhouse | UHS | Half Story (Unfinished) |
| FAT | Attic Area (Finished) | GXT | Garage Extension Front | UST | Utility Area (Unfinished) |
| FCP | Carport | KEN | Kennel | UTQ | Three Quarters Story (Unfinished) |
| FEP | Enclosed Porch | MZ1 | Mezzanine, Unfinished | UUA | Unfinished Utility Attic |
| FHS | Half Story (Finished) | PRG | Pergola | UUS | Full Upper 2nd Story (Unfinished) |
| FOP | Open or Screened in Porch | PRT | Portico | WDK | Wood Deck |
| PTO | Patio | ||||
Building |
Details |
Land |
|||
| Building value | $ 190,600 | Bedrooms | 3 Bedrooms | USE CODE | 1010 |
| Replacement Cost | $276,276 | Bathrooms | 1 Full-0 Half | Lot Size (Acres) | 0.23 |
| Model | Residential | Total Rooms | 6 Rooms | Appraised Value | $ 586,600 |
| Style | Cape Cod | Heat Fuel | Gas | Assessed Value | $ 586,600 |
| Grade | Average | Heat Type | Hot Air | ||
| Year Built | 1940 | AC Type | None | ||
| Effective depreciation | 31 | Interior Floors | Pine/Soft Wood | ||
| Stories | 2 Stories | Interior Walls | Drywall | ||
| Living Area sq/ft | 924 | Exterior Walls | Wood Shingle | ||
| Gross Area sq/ft | 1,508 | Roof Structure | Gable/Hip | ||
| Roof Cover | Asph/F Gls/Cmp | ||||
| Code | Description | Units/SQ ft | Appraised Value | Assessed Value |
| FGR2 | Garage- Avg-Wd Shingle | 308 | $ 10,200 | $ 10,200 |
| WDCK | Wood Decking w/railings | 154 | $ 2,200 | $ 2,200 |
| FEP | Enclosed porch-roof,ceiling | 220 | $ 9,200 | $ 9,200 |
| WDCC | Deck composite no railings | 210 | $ 5,600 | $ 5,600 |