
| Appraised Value | Assessed Value | |
| Building Value | $ 1,258,200 | $ 1,258,200 | 
| Extra Features | $ 69,600 | $ 69,600 | 
| Outbuildings | $ 30,600 | $ 30,600 | 
| Land Value | $ 203,000 | $ 203,000 | 
| Totals | $ 1,561,400 | $ 1,561,400 | 
| 2025
																 Barnstable FD Tax (Commercial) $ 0 Barnstable FD Tax (Residential) $ 3,591.22 Community Preservation Act Tax $ 276.41 Town Tax (Commercial) $ 0 Town Tax (Residential) $ 9,213.60 Total: $ 13,081.23  | 
																
																
															
																
																
																2024
																 Barnstable FD Tax (Commercial) $ 0 Barnstable FD Tax (Residential) $ 2,974.47 Community Preservation Act Tax $ 238.48 Town Tax (Commercial) $ 0 Town Tax (Residential) $ 7,949.32 Total: $ 11,162.27  | 
																
															
																
																
															
| Residential Exemption Received= $233,792 | 
																
																
																Residential Exemption Received= $214,313 | 
																
															
															
| Owner: | Sale Date | Book/Page: | Sale Price: | 
| EUBANKS, KENNETH E TR | 2019-05-17 | 32539/0158 | $0 | 
| EUBANKS, KENNETH E & MARIANNE P TRS | 2003-05-15 | 16921/0345 | $100 | 
| EUBANKS, KENNETH E & | 1986-05-15 | 5063/0128 | $227000 | 
| MAYFLOWER RESTAURANTS INC | 1984-12-15 | 4343/0146 | $26000 | 
| CONNOR, EDWARD F & KRALL, GEORGE S TRS | 1981-07-02 | 3317/0218 | $0 | 
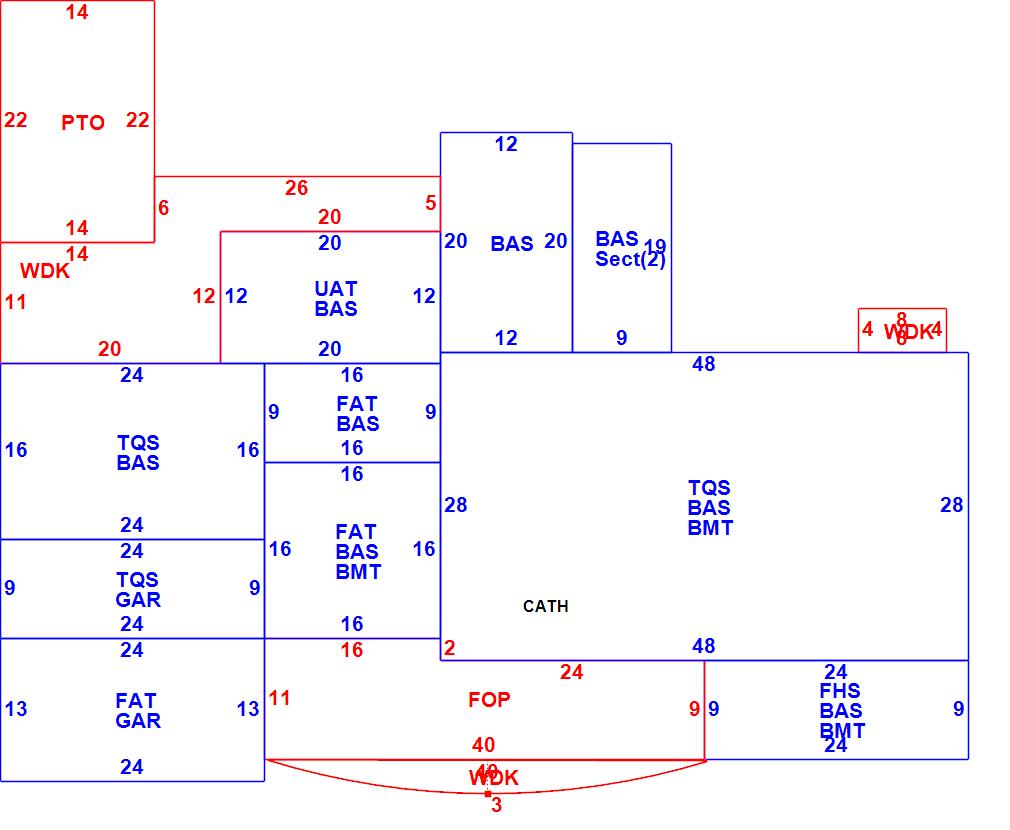
| As Built Cards:Click card # to view: | Card #1 | | 

| B2N | Barn-any 2nd story area | FPC | Open Porch Concrete Floor | REF | Reference Only | 
| BAS | First Floor, Living Area | FTS | Third Story Living Area (Finished) | SOL | Solarium | 
| BMT | Basement Area (Unfinished) | FUS | Second Story Living Area (Finished) | SPE | Pool Enclosure | 
| BRN | Barn | GAR | Garage | TQS | Three Quarters Story (Finished) | 
| CAN | Canopy | GAZ | Gazebo | UAT | Attic Area (Unfinished) | 
| CLP | Loading Platform | GRN | Greenhouse | UHS | Half Story (Unfinished) | 
| FAT | Attic Area (Finished) | GXT | Garage Extension Front | UST | Utility Area (Unfinished) | 
| FCP | Carport | KEN | Kennel | UTQ | Three Quarters Story (Unfinished) | 
| FEP | Enclosed Porch | MZ1 | Mezzanine, Unfinished | UUA | Unfinished Utility Attic | 
| FHS | Half Story (Finished) | PRG | Pergola | UUS | Full Upper 2nd Story (Unfinished) | 
| FOP | Open or Screened in Porch | PRT | Portico | WDK | Wood Deck | 
| PTO | Patio | ||||
								Building | 
								
								Details | 
								
								Land | 
								|||
| Building value | $ 1,258,200 | Bedrooms | 4 Bedrooms | USE CODE | 1010 | 
| Replacement Cost | $1,553,631 | Bathrooms | 4 Full-0 Half | Lot Size (Acres) | 1.01 | 
| Model | Residential | Total Rooms | 9 Rooms | Appraised Value | $ 203,000 | 
| Style | Cape Cod | Heat Fuel | Gas | Assessed Value | $ 203,000 | 
| Grade | Custom Plus | Heat Type | Hot Air | ||
| Year Built | 1985 | AC Type | Central | ||
| Effective depreciation | 17 | Interior Floors | Hardwood | ||
| Stories | 1 1/2 Stories | Interior Walls | Drywall | ||
| Living Area sq/ft | 4,474 | Exterior Walls | Wood Shingle | ||
| Gross Area sq/ft | 9,619 | Roof Structure | Gable/Hip | ||
| Roof Cover | Asph/F Gls/Cmp | ||||
| Code | Description | Units/SQ ft | Appraised Value | Assessed Value | 
| FPL2 | Fireplace 1.5 stories | 1 | $ 5,000 | $ 5,000 | 
| SPL3 | Pool Gunite | 512 | $ 12,000 | $ 12,000 | 
| FPO | Ext FP Opening | 1 | $ 1,700 | $ 1,700 | 
| WDC | Wood Deck w/o railings | 388 | $ 5,400 | $ 5,400 | 
| FOP | Open Porch-roof-ceiling | 392 | $ 12,700 | $ 12,700 | 
| GAR | Attached Garage | 528 | $ 16,000 | $ 16,000 | 
| BMT | Basement-Unfinished | 1816 | $ 34,200 | $ 34,200 | 
| SHD2 | Shed w/Elec | 174 | $ 1,900 | $ 1,900 | 
| PAT1 | Patio- Average | 690 | $ 2,600 | $ 2,600 | 
| PAT2 | Patio-Good | 308 | $ 2,200 | $ 2,200 | 
| PRG1 | Pergola-Avg | 100 | $ 600 | $ 600 | 
| FPIT | Fire Pit | 1 | $ 2,900 | $ 2,900 | 
| SOL1 | Solar PV Panels 12 - 24 | 26 | $ 0 | $ 0 | 
| WDC | Wood Deck w/o railings | 80 | $ 3,000 | $ 3,000 |