
| Appraised Value | Assessed Value | |
| Building Value | $ 781,500 | $ 781,500 |
| Extra Features | $ 66,400 | $ 66,400 |
| Outbuildings | $ 20,500 | $ 20,500 |
| Land Value | $ 695,200 | $ 695,200 |
| Totals | $ 1,563,600 | $ 1,563,600 |
| 2025
Barnstable FD Tax (Commercial) $ 0 Barnstable FD Tax (Residential) $ 3,596.28 Community Preservation Act Tax $ 276.87 Town Tax (Commercial) $ 0 Town Tax (Residential) $ 9,228.87 Total: $ 13,102.02 |
2024
Barnstable FD Tax (Commercial) $ 0 Barnstable FD Tax (Residential) $ 2,927.41 Community Preservation Act Tax $ 234.03 Town Tax (Commercial) $ 0 Town Tax (Residential) $ 7,801.03 Total: $ 10,962.47 |
| Residential Exemption Received= $233,792 |
Residential Exemption Received= $214,313 |
| Owner: | Sale Date | Book/Page: | Sale Price: |
| NICHOLS, MARK KIMBALL | 1985-05-15 | 4526/0065 | $178000 |
| COCKMAN, JAMES D & CATHY J | 1982-10-15 | 3579/0160 | $107000 |
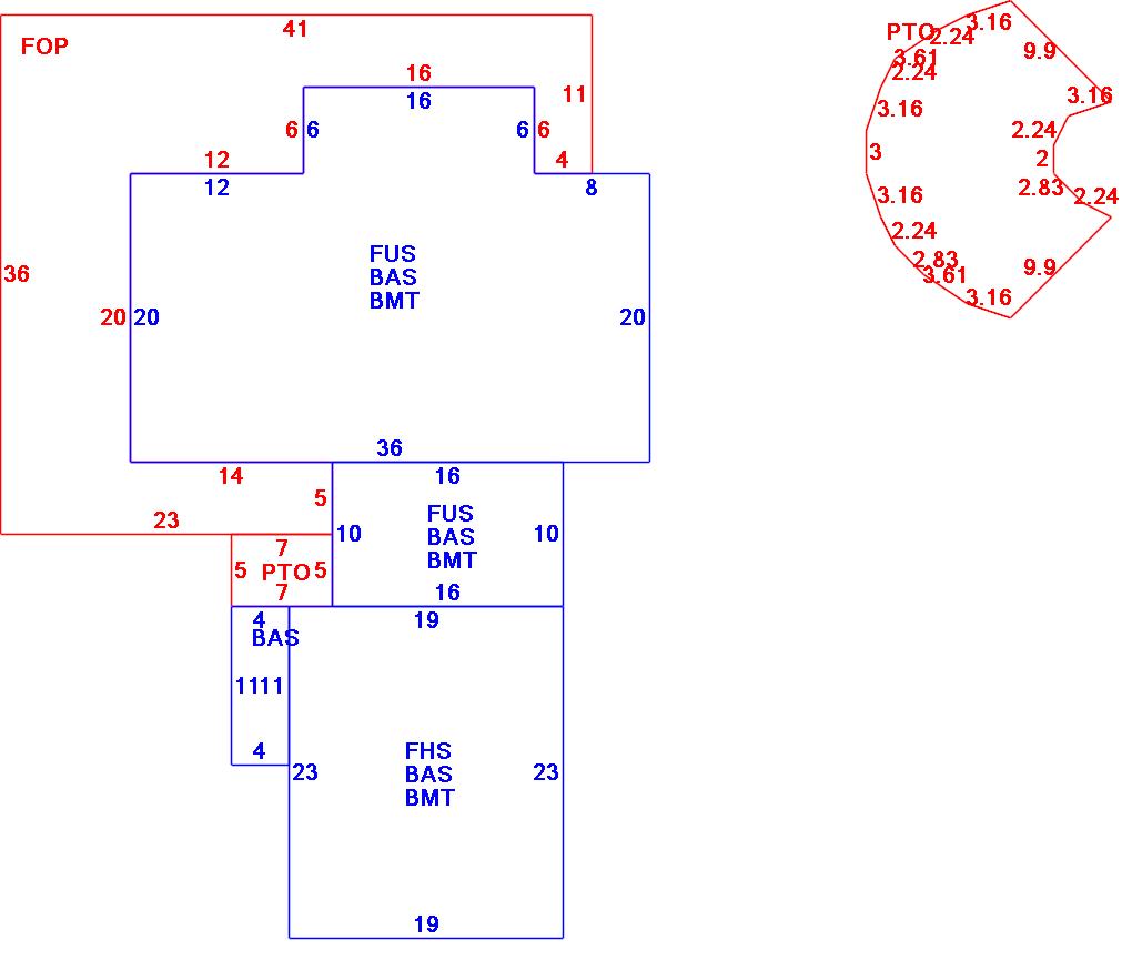
| As Built Cards:Click card # to view: | Card #1 | |
This property contains multiple sketches.

| B2N | Barn-any 2nd story area | FPC | Open Porch Concrete Floor | REF | Reference Only |
| BAS | First Floor, Living Area | FTS | Third Story Living Area (Finished) | SOL | Solarium |
| BMT | Basement Area (Unfinished) | FUS | Second Story Living Area (Finished) | SPE | Pool Enclosure |
| BRN | Barn | GAR | Garage | TQS | Three Quarters Story (Finished) |
| CAN | Canopy | GAZ | Gazebo | UAT | Attic Area (Unfinished) |
| CLP | Loading Platform | GRN | Greenhouse | UHS | Half Story (Unfinished) |
| FAT | Attic Area (Finished) | GXT | Garage Extension Front | UST | Utility Area (Unfinished) |
| FCP | Carport | KEN | Kennel | UTQ | Three Quarters Story (Unfinished) |
| FEP | Enclosed Porch | MZ1 | Mezzanine, Unfinished | UUA | Unfinished Utility Attic |
| FHS | Half Story (Finished) | PRG | Pergola | UUS | Full Upper 2nd Story (Unfinished) |
| FOP | Open or Screened in Porch | PRT | Portico | WDK | Wood Deck |
| PTO | Patio | ||||
Building |
Details |
Land |
|||
| Building value | $ 781,500 | Bedrooms | 3 Bedrooms | USE CODE | 1090 |
| Replacement Cost | $768,886 | Bathrooms | 3 Full-1 Half | Lot Size (Acres) | 0.97 |
| Model | Residential | Total Rooms | 7 Rooms | Appraised Value | $ 695,200 |
| Style | Conventional | Heat Fuel | Gas | Assessed Value | $ 695,200 |
| Grade | Average Plus | Heat Type | Hot Water | ||
| Year Built | 1800 | AC Type | Central | ||
| Effective depreciation | 23 | Interior Floors | Pine/Soft Wood | ||
| Stories | 2 Stories | Interior Walls | Drywall | ||
| Living Area sq/ft | 2,652 | Exterior Walls | Wood Shingle | ||
| Gross Area sq/ft | 5,214 | Roof Structure | Gable/Hip | ||
| Roof Cover | Wood Shingle | ||||
| Code | Description | Units/SQ ft | Appraised Value | Assessed Value |
| FPL2 | Fireplace 1.5 stories | 1 | $ 4,600 | $ 4,600 |
| FOP | Open Porch-roof-ceiling | 650 | $ 19,000 | $ 19,000 |
| BMT | Basement-Unfinished | 1413 | $ 26,100 | $ 26,100 |
| GEN | Emergency Generator | 1 | $ 4,800 | $ 4,800 |
| FPO | Ext FP Opening | 1 | $ 1,500 | $ 1,500 |
| PATF | Flagstone Pavers on conc | 162 | $ 4,600 | $ 4,600 |
| PATC | Conc Pavers W/Conc | 35 | $ 600 | $ 600 |
| PATF | Flagstone Pavers on conc | 246 | $ 6,500 | $ 6,500 |
| SHED | Shed | 16 | $ 200 | $ 200 |
| SOL1 | Solar PV Panels 12 - 24 | 13 | $ 0 | $ 0 |
| FPL2 | Fireplace 1.5 stories | 1 | $ 5,000 | $ 5,000 |
| WDCK | Wood Decking w/railings | 56 | $ 1,900 | $ 1,900 |
| GAR | Attached Garage | 264 | $ 10,200 | $ 10,200 |
| WDC | Wood Deck w/o railings | 96 | $ 1,900 | $ 1,900 |