
| Appraised Value | Assessed Value | |
| Building Value | $ 398,800 | $ 398,800 |
| Extra Features | $ 66,600 | $ 66,600 |
| Outbuildings | $ 7,000 | $ 7,000 |
| Land Value | $ 246,600 | $ 246,600 |
| Totals | $ 719,000 | $ 719,000 |
| 2025
Barnstable FD Tax (Residential) $ 1,653.70 Community Preservation Act Tax $ 149.70 Town Tax (Residential) $ 4,989.86 Total: $ 6,793.26 |
2024
Barnstable FD Tax (Residential) $ 1,319.38 Community Preservation Act Tax $ 124.75 Town Tax (Residential) $ 4,158.25 Total: $ 5,602.38 |
| Owner: | Sale Date | Book/Page: | Sale Price: |
| FERREIRA, ROGERIO | 2023-03-29 | 35703/212 | $610500 |
| FAILEY, LAWRENCE T ESTATE OF | 2022-07-02 | 35703/209 | $0 |
| FAILEY, LAWRENCE T | 2000-09-20 | 13252/0003 | $0 |
| FAILEY, LAWRENCE T & CYNTHIA B | 1997-01-02 | 10554/0272 | $170000 |
| PEGUES, KATHLEEN GARCIA TR | 1996-09-15 | 10403/0338 | $1 |
| WOOD, JOY STEVENS TR & | 1995-08-15 | 9819/0291 | $1 |
| GARCIA, JOY STEVENS | 1979-11-15 | 3020/0268 | $85000 |
| PFODENHAUER, ALBERT& CARO | 1974-11-04 | 2116/0011 | $60000 |
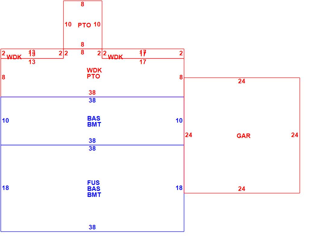
AsBuilt Card N/A

| B2N | Barn-any 2nd story area | FPC | Open Porch Concrete Floor | REF | Reference Only |
| BAS | First Floor, Living Area | FTS | Third Story Living Area (Finished) | SOL | Solarium |
| BMT | Basement Area (Unfinished) | FUS | Second Story Living Area (Finished) | SPE | Pool Enclosure |
| BRN | Barn | GAR | Garage | TQS | Three Quarters Story (Finished) |
| CAN | Canopy | GAZ | Gazebo | UAT | Attic Area (Unfinished) |
| CLP | Loading Platform | GRN | Greenhouse | UHS | Half Story (Unfinished) |
| FAT | Attic Area (Finished) | GXT | Garage Extension Front | UST | Utility Area (Unfinished) |
| FCP | Carport | KEN | Kennel | UTQ | Three Quarters Story (Unfinished) |
| FEP | Enclosed Porch | MZ1 | Mezzanine, Unfinished | UUA | Unfinished Utility Attic |
| FHS | Half Story (Finished) | PRG | Pergola | UUS | Full Upper 2nd Story (Unfinished) |
| FOP | Open or Screened in Porch | PRT | Portico | WDK | Wood Deck |
| PTO | Patio | ||||
Building |
Details |
Land |
|||
| Building value | $ 398,800 | Bedrooms | 3 Bedrooms | USE CODE | 1010 |
| Replacement Cost | $486,334 | Bathrooms | 3 Full-0 Half | Lot Size (Acres) | 0.99 |
| Model | Residential | Total Rooms | 7 Rooms | Appraised Value | $ 246,600 |
| Style | Colonial | Heat Fuel | Gas | Assessed Value | $ 246,600 |
| Grade | Average Plus | Heat Type | Hot Water | ||
| Year Built | 1974 | AC Type | None | ||
| Effective depreciation | 13 | Interior Floors | HardwoodCarpet | ||
| Stories | 2 Stories | Interior Walls | Drywall | ||
| Living Area sq/ft | 1,748 | Exterior Walls | Wood Shingle | ||
| Gross Area sq/ft | 4,168 | Roof Structure | Gable/Hip | ||
| Roof Cover | Asph/F Gls/Cmp | ||||
| Code | Description | Units/SQ ft | Appraised Value | Assessed Value |
| FPL3 | Fireplace 2 story | 1 | $ 5,700 | $ 5,700 |
| BFA1 | Bsmt Fin-Good-Partitioned | 800 | $ 21,400 | $ 21,400 |
| WDCK | Wood Decking w/railings | 380 | $ 4,000 | $ 4,000 |
| GAR | Attached Garage | 576 | $ 16,800 | $ 16,800 |
| BMT | Basement-Unfinished | 1064 | $ 22,700 | $ 22,700 |
| PAT2 | Patio-Good | 400 | $ 3,000 | $ 3,000 |